Curiosii for ever!: Car repair manuals for everyone.

Fuel Pump Control Circuit





2AR-FE ENGINE CONTROL: SFI SYSTEM: Fuel Pump Control Circuit
- Fuel Pump Control Circuit

DESCRIPTION

When the engine is cranked, the starter relay drive signal output from the ignition switch*1 or power management control ECU*2 is input into the STA terminal of the ECM, and the NE signal generated by the crankshaft position sensor is input into the NE+ terminal. The ECM determines that the engine is cranked, and turns transistor Tr1 in the ECM internal circuit on. Current flows to the C/OPN (Circuit Opening) relay by turning Tr1 on.

Then, the fuel pump operates.

While the NE signal is input into the ECM and the engine is running, the ECM turns Tr1 on continuously.

*1: w/o Smart Key System

*2: w/ Smart Key System

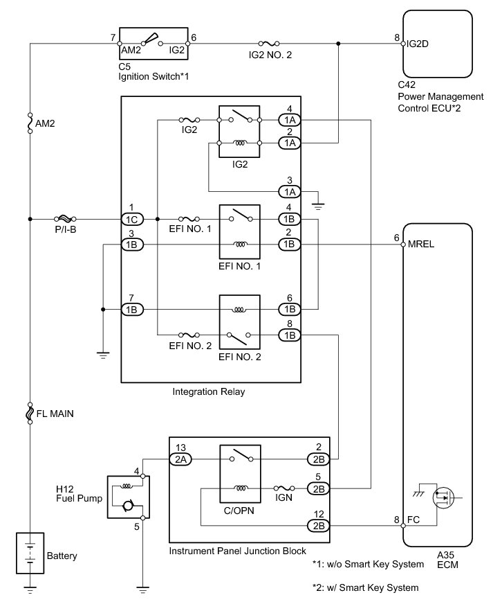
WIRING DIAGRAM





INSPECTION PROCEDURE

NOTICE:
Inspect the fuses of circuits related to this system before performing the following inspection procedure.

PROCEDURE

1. PERFORM ACTIVE TEST USING TECHSTREAM (CONTROL THE FUEL PUMP / SPEED)

(a) Connect the Techstream to the DLC3.

(b) Turn the ignition switch to ON and turn the Techstream on.

(c) Enter the following menus: Powertrain / Engine / Active Test / Control the Fuel Pump / Speed.

(d) Check whether the fuel pump operating sound occurs when performing the Active Test on the Techstream.

OK:

Fuel pump operating sound occurs.

NG -- CHECK INSTRUMENT PANEL JUNCTION BLOCK (C/OPN RELAY INPUT VOLTAGE)
OK -- Continue to next step.

2. READ VALUE USING TECHSTREAM (STARTER SIGNAL)

(a) Connect the Techstream to the DLC3.

(b) Turn the ignition switch to ON and turn the Techstream on.

(c) Enter the following menus: Powertrain / Engine / Data List / Starter Signal.

(d) Check the result when the ignition switch is turned to ON and START.

OK:





NG -- REPAIR OR REPLACE STARTING SYSTEM
OK -- Continue to next step.

3. READ VALUE USING TECHSTREAM (ENGINE SPEED)

(a) Connect the Techstream to the DLC3.

(b) Turn the ignition switch to ON and turn the Techstream on.

(c) Enter the following menus: Powertrain / Engine / Data List / Engine Speed.

(d) Read the values displayed on the Techstream while cranking the engine.

OK:

Values are displayed continuously.

NG -- REPAIR OR REPLACE CRANKSHAFT POSITION SENSOR CIRCUIT

OK -- REPLACE ECM Removal

4. CHECK INSTRUMENT PANEL JUNCTION BLOCK (C/OPN RELAY INPUT VOLTAGE)

(a) Measure the voltage according to the value(s) in the table below.





Standard Voltage:





Text in Illustration





NG -- INSPECT INTEGRATION RELAY (EFI NO. 2)
OK -- Continue to next step.

5. INSPECT INSTRUMENT PANEL JUNCTION BLOCK (C/OPN RELAY)

(a) Inspect the instrument panel junction block (C/OPN relay) Testing and Inspection.

NG -- REPLACE INSTRUMENT PANEL JUNCTION BLOCK
OK -- Continue to next step.

6. CHECK HARNESS AND CONNECTOR (INSTRUMENT PANEL JUNCTION BLOCK - ECM)

(a) Disconnect the ECM connector.

(b) Disconnect the instrument panel junction block connector.

(c) Measure the resistance according to the value(s) in the table below.

Standard Resistance (Check for Open):





Standard Resistance (Check for Short):





NG -- REPAIR OR REPLACE HARNESS OR CONNECTOR
OK -- Continue to next step.

7. CHECK HARNESS AND CONNECTOR (C/OPN RELAY - FUEL PUMP - BODY GROUND)

(a) Check the harness and connectors between the instrument panel junction block and fuel pump.

(1) Disconnect the instrument panel junction block connector.

(2) Disconnect the fuel pump connector.

(3) Measure the resistance according to the value(s) in the table below.

Standard Resistance (Check for Open):





Standard Resistance (Check for Short):





(b) Check the harness and connectors between the fuel pump and body ground.

(1) Disconnect the fuel pump connector.

(2) Measure the resistance according to the value(s) in the table below.

Standard Resistance (Check for Open):





NG -- REPAIR OR REPLACE HARNESS OR CONNECTOR
OK -- Continue to next step.

8. INSPECT FUEL PUMP

(a) Inspect the fuel pump Fuel Pump.

NG -- REPLACE FUEL PUMP Removal

OK -- REPLACE ECM Removal

9. INSPECT INTEGRATION RELAY (EFI NO. 2)

(a) Inspect the integration relay (EFI NO. 2) Testing and Inspection.

NG -- REPLACE INTEGRATION RELAY
OK -- Continue to next step.

10. CHECK HARNESS AND CONNECTOR (INSTRUMENT PANEL JUNCTION BLOCK - INTEGRATION RELAY)

(a) Remove the integration relay from the engine room relay block.

(b) Disconnect the instrument panel junction block connectors.

(c) Measure the resistance according to the value(s) in the table below.

Standard Resistance (Check for Open):





Standard Resistance (Check for Short):





NG -- REPAIR OR REPLACE HARNESS OR CONNECTOR

OK -- GO TO ECM POWER SOURCE CIRCUIT ECM Power Source Circuit