Curiosii for ever!
: Car repair manuals for everyone.
Home
>>
Scion
>>
2011
>>
tC L4-2.5L (2AR-FE)
>>
Repair and Diagnosis
>>
Powertrain Management
>>
Computers and Control Systems
>>
Description and Operation
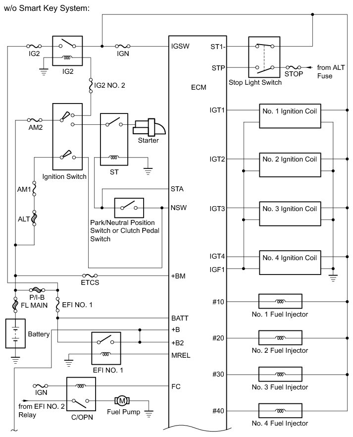
Computers and Control Systems: Description and Operation
2AR-FE ENGINE CONTROL: SFI SYSTEM: SYSTEM DIAGRAM