Curiosii for ever!
: Car repair manuals for everyone.
Home
>>
Scion
>>
2010
>>
xD L4-1.8L (2ZR-FE)
>>
Repair and Diagnosis
>>
Powertrain Management
>>
Computers and Control Systems
>>
Description and Operation
Computers and Control Systems: Description and Operation
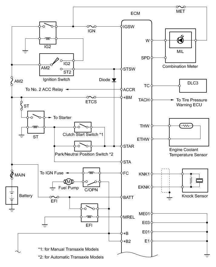
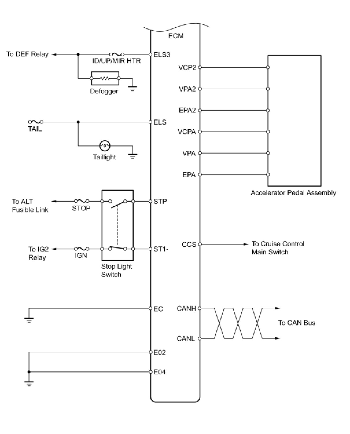
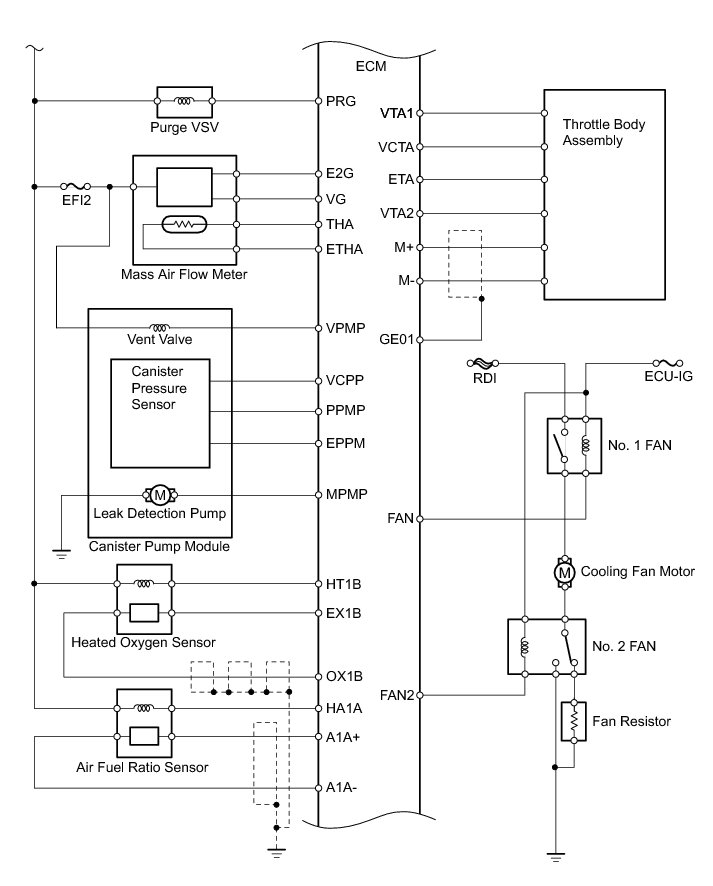
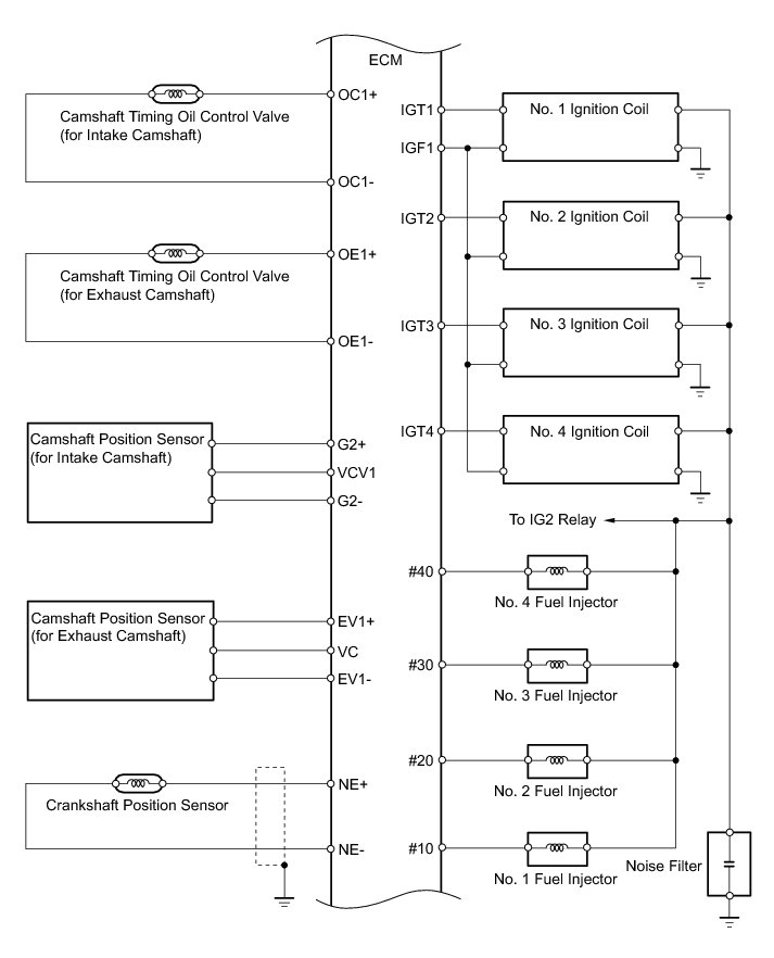
2ZR-FE ENGINE CONTROL SYSTEM: SFI SYSTEM: SYSTEM DIAGRAM