Curiosii for ever!: Car repair manuals for everyone.

Removal





POWER STEERING: POWER STEERING ECU: REMOVAL

1. PLACE FRONT WHEELS FACING STRAIGHT AHEAD

2. REMOVE UPPER INSTRUMENT PANEL

Removal

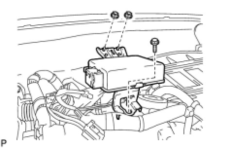
3. REMOVE POWER STEERING ECU ASSEMBLY

(a) Separate the wire harness clamp from the power steering ECU assembly.





(b) Disconnect the connector from the power steering ECU assembly.

HINT
As shown in the illustration, pull out the lock of the lock lever and turn the lock lever to disconnect the connector.

(c) Disconnect the 3 connectors from the power steering ECU assembly.





(d) Remove the bolt, 2 nuts, and the power steering ECU assembly.