Curiosii for ever!: Car repair manuals for everyone.

Fuel Pump Control Circuit





2AZ-FE ENGINE CONTROL SYSTEM: SFI SYSTEM: Fuel Pump Control Circuit
- Fuel Pump Control Circuit

DESCRIPTION

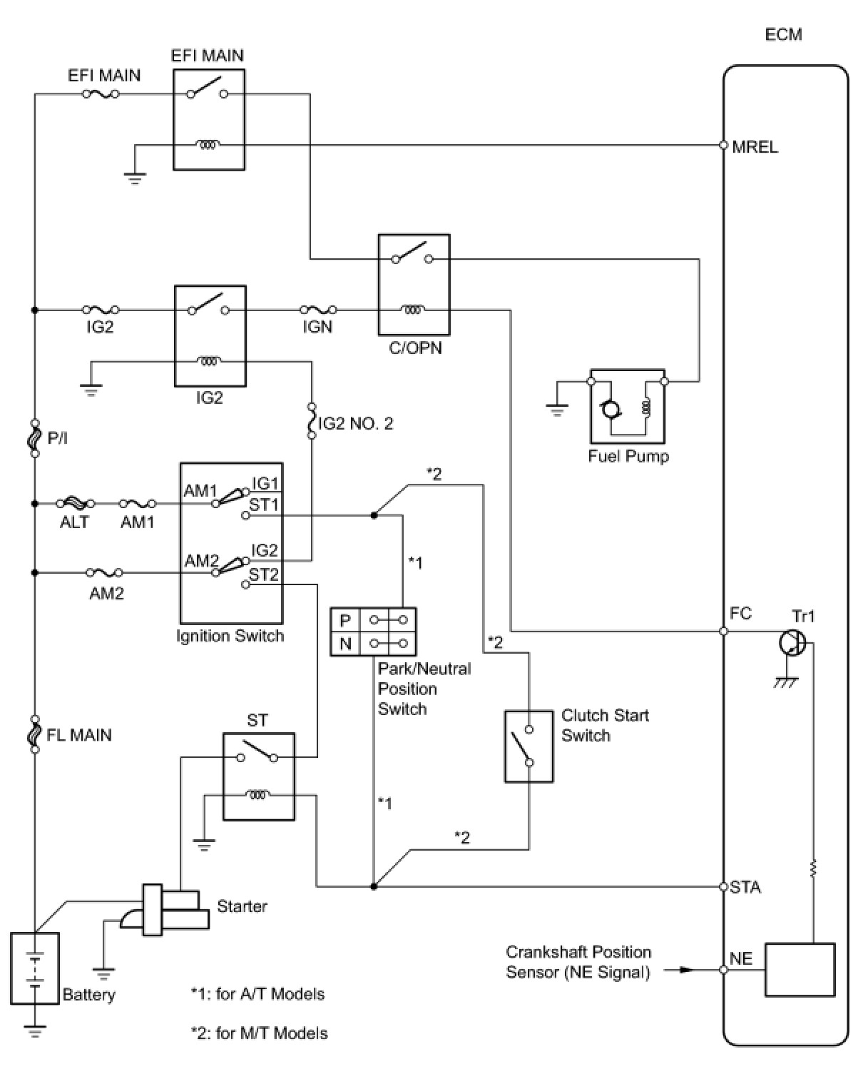
When the engine is cranked, the starter relay drive signal from the ignition switch is input into the STA terminal of the ECM, and the NE signal generated by the crankshaft position sensor is also input into the NE+ terminal. Thus, the ECM interprets that the engine is being cranked, and turns transistor Tr1 in the ECM internal circuit ON. The current flows to the C/OPN (Circuit Opening) relay by turning Tr1 ON. Then, the fuel pump operates.

While the NE signal is input into the ECM, and the engine is running, the ECM turns Tr1 on continuously.





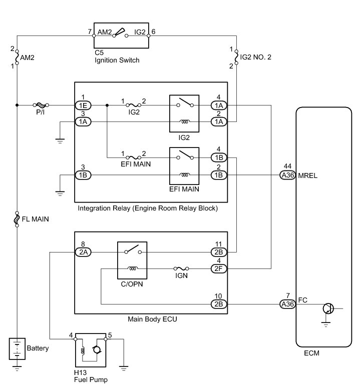
WIRING DIAGRAM





INSPECTION PROCEDURE

PROCEDURE

1. PERFORM ACTIVE TEST USING TECHSTREAM (FUEL PUMP/SPD)

(a) Connect the Techstream to the DLC3.

(b) Turn the ignition switch to ON.

(c) Turn the Techstream ON.

(d) Select the following menu items: Powertrain / Engine and ECT / Active Test / Control the Fuel Pump/Speed.

(e) Check whether the fuel pump operating sound occurs when performing the Active Test on the Techstream.

Result

Result:





B -- READ VALUE USING TECHSTREAM (STARTER SIG)
A -- Continue to next step.

2. INSPECT MAIN BODY ECU (C/OPN RELAY INPUT VOLTAGE)

(a) Measure the voltage between the terminal of the main body ECU and the body ground when the ignition switch is turned to ON and OFF.





Standard voltage:





Result

Result:





B -- INSPECT MAIN BODY ECU (C/OPN RELAY)
A -- Continue to next step.

3. CHECK HARNESS AND CONNECTOR (MAIN BODY ECU - INTEGRATION RELAY)

(a) Remove the integration relay from the engine room relay block.





(b) Disconnect the main body ECU connectors.

(c) Measure the resistance according to the value(s) in the table below.

Standard resistance (Check for open):





Standard resistance (Check for short):





(d) Reinstall the integration relay.

(e) Reconnect the main body ECU connectors.

NG -- REPAIR OR REPLACE HARNESS OR CONNECTOR

OK -- GO TO ECM POWER SOURCE CIRCUIT ECM Power Source Circuit

4. INSPECT MAIN BODY ECU (C/OPN RELAY)

(a) Remove the main body ECU.





(b) Measure the resistance according to the value(s) in the table below.

Standard resistance:





(c) Reinstall the main body ECU.

NG -- REPLACE MAIN BODY ECU
OK -- Continue to next step.

5. CHECK HARNESS AND CONNECTOR (MAIN BODY ECU - ECM)

(a) Disconnect the ECM connector.





(b) Disconnect the main body ECU connector.

(c) Measure the resistance according to the value(s) in the table below.

Standard resistance (Check for open):





Standard resistance (Check for short):





(d) Reconnect the main body ECU connector.

(e) Reconnect the ECM connector.

NG -- REPAIR OR REPLACE HARNESS OR CONNECTOR
OK -- Continue to next step.

6. CHECK HARNESS AND CONNECTOR (MAIN BODY ECU - FUEL PUMP - BODY GROUND)

(a) Check the harness and the connectors between the main body ECU (C/OPN relay) and the fuel pump.





(1) Disconnect the main body ECU connector.

(2) Disconnect the fuel pump connector.

(3) Measure the resistance according to the value(s) in the table below.

Standard resistance (Check for open):





Standard resistance (Check for short):





(4) Reconnect the main body ECU connector.

(5) Reconnect the fuel pump connector.

(b) Check the harness and the connectors between the fuel pump and the body ground.

(1) Disconnect the fuel pump connector.

(2) Measure the resistance according to the value(s) in the table below.

Standard resistance (Check for open):





(c) Reconnect the fuel pump connector.

NG -- REPAIR OR REPLACE HARNESS OR CONNECTOR
OK -- Continue to next step.

7. INSPECT FUEL PUMP

(a) Remove the fuel pump.

(b) Inspect fuel pump resistance.





(1) Measure the resistance according to the value(s) in the table below.

Standard resistance:





(c) Inspect fuel pump operation.

(1) Apply the battery voltage to both the terminals. Check that the pump operates.

NOTICE:
* These tests must be done quickly (within 10 seconds) to prevent the coil from burning out.
* Keep the fuel pump as far away from the battery as possible.
* Always turn the voltage on and off on the battery side, not the fuel pump side.

OK:

The fuel pump operates normally.

(d) Reinstall the fuel pump.

NG -- REPLACE FUEL PUMP Removal

OK -- REPLACE ECM Removal

8. READ VALUE USING TECHSTREAM (STARTER SIG)

(a) Connect the Techstream to the DLC3.

(b) Turn the ignition switch to ON.

(c) Turn the Techstream ON.

(d) Select the following menu items: Powertrain / Engine and ECT / Data List / Starter Signal.

(e) Check the result when the ignition switch is turned to ON and START.

OK:





NG -- REPAIR OR REPLACE STARTING SYSTEM
OK -- Continue to next step.

9. READ VALUE USING TECHSTREAM (ENGINE SPD)

(a) Connect the Techstream to the DLC3.

(b) Turn the ignition switch to ON.

(c) Turn the Techstream ON.

(d) Select the following menu items: Powertrain / Engine and ECT / Data List / Engine Speed.

(e) Read the values displayed on the Techstream while cranking.

OK:

Values are displayed continuously.

NG -- REPAIR OR REPLACE CRANKSHAFT POSITION SENSOR CIRCUIT

OK -- REPLACE ECM Removal