Curiosii for ever!: Car repair manuals for everyone.

VC Output Circuit





2AZ-FE ENGINE CONTROL SYSTEM: SFI SYSTEM: VC Output Circuit

- VC Output Circuit

DESCRIPTION

The VC voltage (5 V) is generated in the ECM. The voltage is used to supply power to the throttle position sensor, canister pump module, etc.

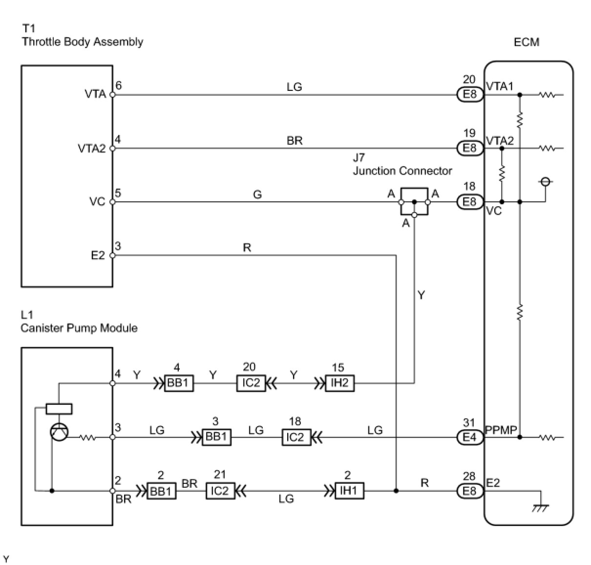
WIRING DIAGRAM





INSPECTION PROCEDURE

PROCEDURE

1. CHECK MIL

(a) Check that MIL (Malfunction Indicator Lamp) lights up when turning the ignition switch to the ON position.

Standard:

MIL lights up

OK -- SYSTEM OK

NG -- Continue to next step.

2. CHECK CONNECTION BETWEEN TECHSTREAM AND ECM

(a) Connect the Techstream to the DLC3.

(b) Turn the ignition switch to the ON position and turn the Techstream on.

(c) Check the communication between the Techstream and ECM.

Result:





A -- GO TO MIL CIRCUIT

B -- Continue to next step.

3. INSPECT ECM (VC VOLTAGE)

(a) Turn the ignition switch to the ON position.





(b) Measure the voltage according to the value(s) in the table below.

Standard voltage:





NEXT -- Continue to next step.

4. CHECK MIL (THROTTLE POSITION SENSOR)

(a) Disconnect the T1 throttle body connector.

(b) Turn the ignition switch to the ON position.

(c) Check the MIL.

Result:





(d) Reconnect the throttle body connector.

A -- REPLACE THROTTLE BODY

B -- Continue to next step.

5. CHECK MIL (CANISTER PUMP MODULE)

(a) Disconnect the L1 canister pump module connector.

(b) Turn the ignition switch to the ON position.

(c) Check the MIL.

Result:





(d) Reconnect the canister pump module connector.

A -- REPLACE CANISTER

B -- Continue to next step.

6. CHECK WIRE HARNESS (ECM - BODY GROUND)

(a) Disconnect the T1 throttle body connector.

(b) Disconnect the L1 canister pump module connector.

(c) Disconnect the E8 ECM connector.

(d) Measure the resistance according to the value(s) in the table below.

Standard resistance:





(e) Reconnect the throttle body connector.

(f) Reconnect the canister pump module connector.

(g) Reconnect the ECM connector.

NG -- REPAIR OR REPLACE HARNESS OR CONNECTOR

OK -- REPLACE ECM

7. REPLACE ECM Removal

8. SYSTEM OK

9. GO TO MIL CIRCUIT MIL Circuit

10. REPLACE THROTTLE BODY Removal

11. REPLACE CANISTER Removal

12. REPAIR OR REPLACE HARNESS OR CONNECTOR