Curiosii for ever!: Car repair manuals for everyone.

Installation








POWER STEERING: POWER STEERING ECU: INSTALLATION

INSTALLATION

1. INSTALL POWER STEERING ECU ASSEMBLY





(a) Install the power steering ECU with the 2 nuts.
Torque: 5.0 Nm (51 kgf-cm, 44 in-lbf)





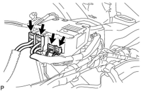
(b) Connect the 4 connectors.





(c) Install the wire harness clamp.
(d) Install the 2 wire harness clamps onto the power steering ECU assembly.
2. INSTALL UPPER INSTRUMENT PANEL Installation
3. INSTALL GLOVE COMPARTMENT DOOR ASSEMBLY Installation
4. INSTALL INSTRUMENT CLUSTER FINISH PANEL RETAINER Installation
5. INSTALL INSTRUMENT CLUSTER FINISH CENTER PANEL SUB-ASSEMBLY Installation
6. INSTALL COMBINATION METER ASSEMBLY Installation
7. INSTALL INSTRUMENT CLUSTER FINISH PANEL Installation
8. INSTALL FRONT PILLAR GARNISH RH Installation
9. INSTALL FRONT PILLAR GARNISH LH Installation
10. INSTALL FRONT DOOR OPENING TRIM WEATHERSTRIP RH Installation
11. INSTALL FRONT DOOR OPENING TRIM WEATHERSTRIP LH Installation
12. CONNECT CABLE TO NEGATIVE BATTERY TERMINAL Installation
13. INSPECT SRS WARNING LIGHT Installation
14. INITIALIZE ROTATION ANGLE SENSOR AND CALIBRATE TORQUE SENSOR ZERO POINT
Programming and Relearning