Curiosii for ever!: Car repair manuals for everyone.

Only Wireless Control Function Is Inoperative









DOOR LOCK: WIRELESS DOOR LOCK CONTROL SYSTEM: Only Wireless Control Function is Inoperative

Only Wireless Control Function is Inoperative

SYSTEM DESCRIPTION
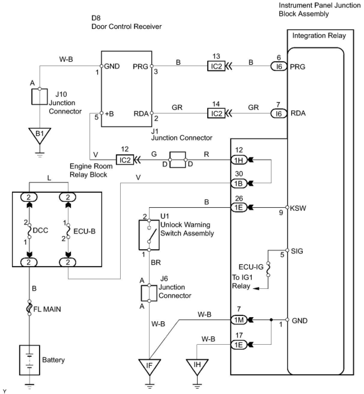
- The door control receiver receives signals from the transmitter and sends these signals to the integration relay. The integration relay then controls all the doors by sending LOCK / UNLOCK signals to each door lock actuator.

WIRING DIAGRAM





INSPECTION PROCEDURE

PROCEDURE

1. CHECK WIRELESS DOOR LOCK CONTROL FUNCTIONS
(a) Check that the wireless door lock control Component Tests and General Diagnostics.
OK -- NORMAL
NG -- Continue to next step.
2. CHECK THAT TRANSMITTER LED ILLUMINATES
(a) Check that the transmitter LED illuminates 3 times when the switch is pressed 3 times.
OK:
Transmitter LED illuminates 3 times when the switch is pressed 3 times.
NG -- REPLACE TRANSMITTER BATTERY
OK -- Continue to next step.
3. CHECK WIRELESS DOOR LOCK FUNCTIONS (STANDARD OPERATION)
(a) Check standard LOCK / UNLOCK switch operation.
NOTICE: Standardized test procedure: press the transmitter switch for 1 second, directing the transmitter to the driver side door outside handle from a distance of 1 m (3.28 ft.). The transmitter should be pointed directly at the door handle, i.e. at a 90°angle to the vehicle body.

NG -- CHECK ROOM LIGHT
OK -- REPLACE DOOR CONTROL TRANSMITTER
4. REPLACE TRANSMITTER BATTERY
(a) After replacing the transmitter battery, check that the doors can be locked and unlocked by using the transmitter LOCK / UNLOCK switch.
OK:
Doors can be locked and unlocked with transmitter.
NG -- REPLACE DOOR CONTROL TRANSMITTER
OK -- NORMAL
5. CHECK ROOM LIGHT
(a) Check that the room light illuminates.
HINT: When the room light does not illuminate, proceed to self-diagnostic mode after repairing the room light.

NEXT -- Continue to next step.
6. SWITCH TO SELF-DIAGNOSTIC MODE
(a) Switch to self-diagnostic mode by operating the ignition switch.
(1) Make sure the vehicle is in a condition where wireless control functions can be operated, and then insert the key into the ignition key cylinder and remove it.
(2) Within 5 seconds of removing the key, insert the key into the ignition key cylinder. Then turn the ignition switch ON and OFF.
(3) Within 30 seconds of turning the ignition switch ON and OFF, perform the following 9 times: turn the ignition switch ON and OFF.
HINT:
- Turning the ignition switch ON after performing all of the steps above will end self-diagnostic mode.
- Do not lock or unlock doors during self-diagnostic mode.
NOTICE: If the change to the self-diagnostic mode has failed, the system will return to normal mode.




(b) Check that the system has switched to self-diagnostic mode by comparing the flash patterns of the room light to the timing chart.
OK:
The flash patterns of the room light should be the same as the patterns shown in the timing chart.
NG -- CONFIRM INPUT METHOD OF SELF-DIAGNOSTIC MODE
OK -- Continue to next step.
7. CHECK SELF-DIAGNOSTIC MODE
(a) Check the diagnosis outputs when the door control transmitter switch is held down. The diagnosis outputs can be checked by observing the flash patterns of the room light.





Result:





C -- CHECK RESPONSE OF DOOR CONTROL RECEIVER
B -- REPLACE INTEGRATION RELAY
A -- Continue to next step.
8. RESISTER RECOGNITION CODE
(a) Check that the system can switch to rewrite mode or add mode, and that a recognition code can be registered.
OK:
System can switch to rewrite mode or add mode, and recognition code can be registered.
NG -- REPLACE DOOR CONTROL RECEIVER
OK -- NORMAL (CARRY OUT INSPECTION OF FUNCTION)
9. CHECK RESPONSE OF DOOR CONTROL RECEIVER
(a) When a new or functioning door control transmitter switch for the same vehicle type is held down, check that an unmatching recognition code is output.
OK:
Unmatching recognition code is output.
NG -- CHECK WIRE HARNESS (DOOR CONTROL RECEIVER - BATTERY AND BODY GROUND)
OK -- REPLACE DOOR CONTROL TRANSMITTER
10. REPLACE DOOR CONTROL RECEIVER
(a) After replacing the door control receiver, check that the doors can be locked and unlocked by using the transmitter LOCK / UNLOCK switch.
OK:
Doors can be locked and unlocked with transmitter.
NG -- REPLACE INTEGRATION RELAY
OK -- END
11. CONFIRM INPUT METHOD OF SELF-DIAGNOSTIC MODE
Result:





B -- SWITCH TO SELF-DIAGNOSTIC MODE
A -- Continue to next step.
12. INSPECT UNLOCK WARNING SWITCH ASSEMBLY




(a) Measure the resistance of the switch.
Standard resistance:





NG -- REPLACE UNLOCK WARNING SWITCH ASSEMBLY
OK -- Continue to next step.
13. CHECK WIRE HARNESS (UNLOCK WARNING SWITCH ASSEMBLY - INSTRUMENT PANEL JUNCTION BLOCK ASSEMBLY AND BODY GROUND)
(a) Disconnect the U1 switch connector.
(b) Disconnect the 1E junction block connector.




(c) Measure the resistance of the wire harness side connectors.
Standard resistance:





NG -- REPAIR OR REPLACE HARNESS AND CONNECTOR
OK -- Continue to next step.
14. CHECK WIRE HARNESS (DOOR CONTROL RECEIVER - BATTERY AND BODY GROUND)




(a) Disconnect the D8 receiver connector.
(b) Measure the resistance of the wire harness side connector.
Standard resistance:





(c) Measure the voltage of the wire harness side connector.
Standard voltage:





NG -- REPAIR OR REPLACE HARNESS AND CONNECTOR
OK -- Continue to next step.
15. CHECK DOOR CONTROL RECEIVER (OUTPUT)
(a) Reconnect the D8 receiver connector.




(b) Measure the voltage of the connector.
Standard voltage:





NG -- REPLACE DOOR CONTROL RECEIVER
OK -- Continue to next step.
16. CHECK WIRE HARNESS (DOOR CONTROL RECEIVER - INTEGRATION RELAY)
(a) Disconnect the D8 receiver connector.
(b) Disconnect the I6 relay connector.




(c) Measure the resistance of the wire harness side connectors.
Standard resistance:





NG -- REPAIR OR REPLACE HARNESS AND CONNECTOR
OK -- Continue to next step.
17. REPLACE INTEGRATION RELAY
(a) After replacing the integration relay, check that the doors can be locked and unlocked by using the transmitter LOCK / UNLOCK switch.
OK:
The wireless door control system operates.
NG -- REPLACE INSTRUMENT PANEL JUNCTION BLOCK ASSEMBLY
OK -- END