Curiosii for ever!: Car repair manuals for everyone.

Combination Meter ECU Communication Stop Mode








CAN COMMUNICATION: CAN COMMUNICATION SYSTEM: Combination Meter ECU Communication Stop Mode

Combination Meter ECU Communication Stop Mode

DESCRIPTION





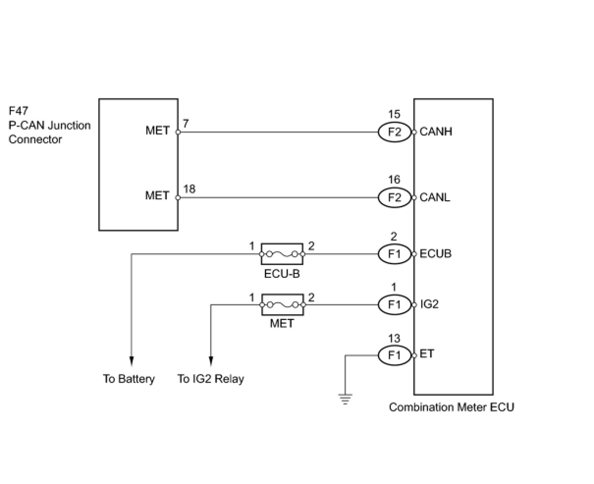
WIRING DIAGRAM





INSPECTION PROCEDURE
NOTICE:
- Turn the ignition switch off before measuring the resistances of the CAN main wire and the CAN branch wire.
- After the ignition switch is turned off, check that the key reminder warning system and light reminder warning system are not in operation.
- Before measuring the resistance, leave the vehicle as is for at least 1 minute and do not operate the ignition switch, any other switches or the doors. If doors need to be opened in order to check connectors, open the doors and leave them open.
HINT: Operating the ignition switch, any switches or any doors triggers related ECU and sensor communication with the CAN, which causes resistance variation.

PROCEDURE

1. CHECK CAN BUS LINE FOR DISCONNECTION (COMBINATION METER ECU BRANCH WIRE)





(a) Turn the ignition switch off.
(b) Disconnect the F2 combination meter ECU connector.
(c) Measure the resistance according to the value in the table below.
Standard resistance:





(d) Reconnect the combination meter ECU connector.
NG -- REPAIR OR REPLACE CAN BRANCH WIRE CONNECTED TO COMBINATION METER ECU (CAN-H, CAN-L)
OK -- Continue to next step.
2. CHECK HARNESS AND CONNECTOR (IG2, ECUB, ET)
(a) Disconnect the F1 combination meter ECU connector.





(b) Measure the resistance according to the value table below.
Standard resistance:





(c) Measure the voltage according to the value in the table below.
Standard voltage:






NG -- REPAIR OR REPLACE HARNESS OR CONNECTOR
OK -- REPLACE COMBINATION METER ASSEMBLY