Curiosii for ever!: Car repair manuals for everyone.

System Specifications

CYLINDER HEAD





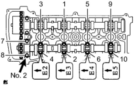
Using several steps, uniformly install and tighten the 10 cylinder head set bolts and plate washers with a 10 mm bi-hexagon wrench in the order shown in the illustration.

Torque: 70 Nm (714 kgf-cm, 52 ft-lbf)






Mark the front of the cylinder head bolts with paint.
Further tighten the cylinder head bolts by 90° as shown in the illustration.
Check that the paint mark is now at a 90° angle to the front.

BOLT RE-USABILITY

Standard bolt length:
141.3 to 142.7 mm (5.563 to 5.618 in.)

Maximum bolt length:
144.2 mm (5.677 in.)

SURFACE VARIATION

Maximum warpage:






INTAKE MANIFOLD






Torque: 30 Nm (306 kgf-cm, 22 ft-lbf)

CAMSHAFT






Using several steps, uniformly tighten the 10 bearing cap bolts in the sequence shown in the illustration

No. 1 bearing cap - Torque: 30 Nm (301 kgf-cm, 22 ft-lbf)

No. 3 bearing cap - Torque: 9.0 Nm (92 kgf-cm, 80 in-lbf)


NO. 2 CAMSHAFT







Using several steps, uniformly tighten the 10 bearing cap bolts in the sequence shown in the illustration

No. 2 bearing cap - Torque: 30 Nm (301 kgf-cm, 22 ft-lbf)

No. 3 bearing cap - Torque: 9.0 Nm (92 kgf-cm, 80 in-lbf)

EXHAUST MANIFOLD CONVERTER






Torque: 37 Nm (377 kgf-cm, 27 ft-lbf)

CAMSHAFT PULLEY/GEAR

Torque: 54 Nm (551 kgf-cm, 40 ft-lbf)