Curiosii for ever!
: Car repair manuals for everyone.
Home
>>
Scion
>>
2008
>>
xB L4-2.4L (2AZ-FE)
>>
Repair and Diagnosis
>>
Powertrain Management
>>
Computers and Control Systems
>>
Relays and Modules - Computers and Control Systems
>>
Main Relay (Computer/Fuel System)
>>
Locations
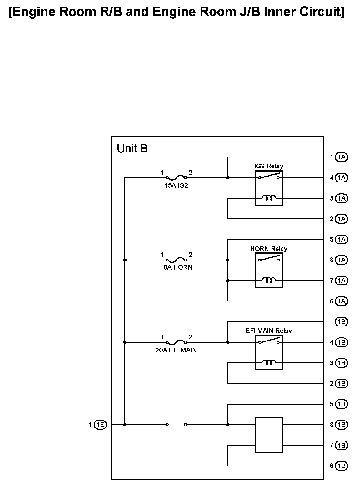
Main Relay (Computer/Fuel System): Locations
Engine Room R/B and Engine Room J/B Inner Circuit:
Instrument Panel J/B - Cowl Side Left: