Curiosii for ever!: Car repair manuals for everyone.

Front Passenger Side Power Window Does Not Operate With Front Passenger Side Power Window Switch








WINDSHIELD / WINDOWGLASS: POWER WINDOW CONTROL SYSTEM (w/ Jam Protection Function): Front Passenger Side Power Window does not Operate with Front Passenger Side Power Window Switch

Front Passenger Side Power Window does not Operate with Front Passenger Side Power Window Switch

DESCRIPTION

If the manual UP/DOWN function does not operate, a malfunction may by present in the power window regulator motor, the power window regulator switch or the wire harness.

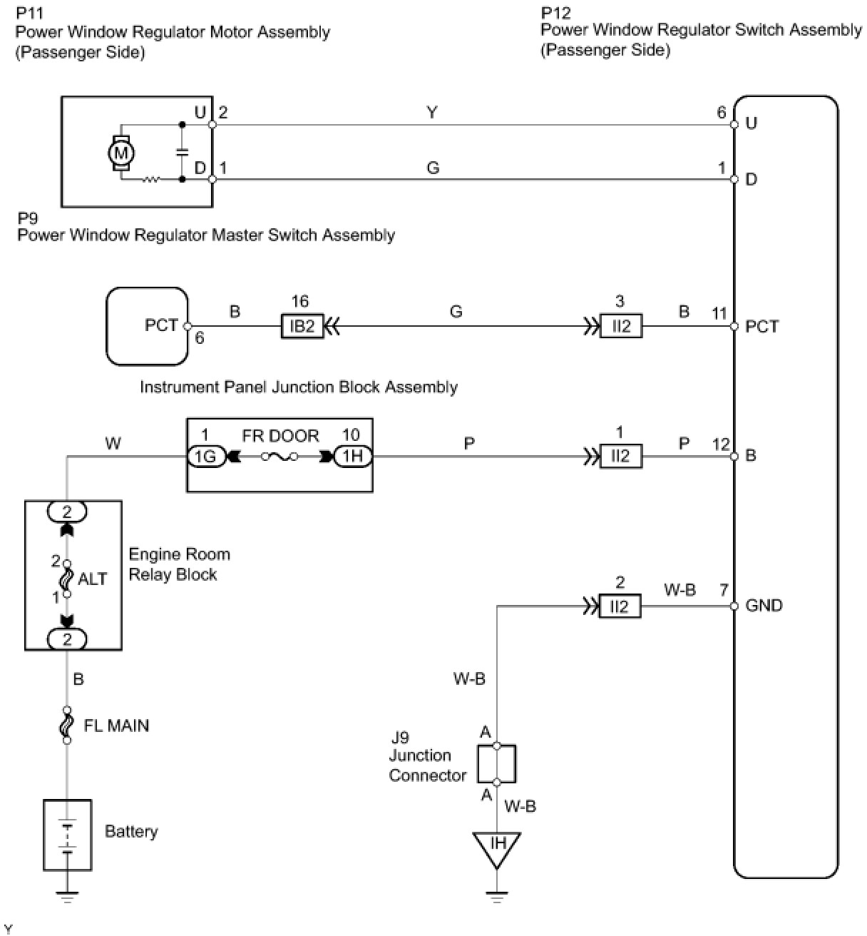
WIRING DIAGRAM





INSPECTION PROCEDURE

PROCEDURE

1. CHECK AUTO UP/DOWN FUNCTION (PASSENGER SIDE)
(a) Check that the power window AUTO UP/DOWN function operates normally.
OK -- REPLACE POWER WINDOW REGULATOR SWITCH ASSEMBLY (PASSENGER SIDE)
NG -- Continue to next step.
2. INSPECT FUSE (FR DOOR)
(a) Disconnect the FR DOOR fuse from the instrument panel junction block.
(b) Measure the resistance of the fuse.
Standard resistance:
Below 1 Ohms
NG -- REPLACE FUSE
OK -- Continue to next step.
3. CHECK WIRE HARNESS (POWER WINDOW REGULATOR SWITCH ASSEMBLY (PASSENGER SIDE) - BATTERY AND BODY GROUND)





(a) Disconnect the P12 regulator switch connector.
(b) Measure the voltage and resistance of the wire harness side connector.
Standard voltage:






Standard resistance:






NG -- REPAIR OR REPLACE HARNESS AND CONNECTOR
OK -- Continue to next step.
4. CHECK POWER WINDOW REGULATOR SWITCH ASSEMBLY (WINDOW LOCK SWITCH SIGNAL)





(a) Remove the regulator switch but do not disconnect the connector.
(b) Turn the ignition switch ON.
(c) Measure the voltage of the connector.
Standard voltage:






OK -- CHECK WIRE HARNESS (REGULATOR SWITCH ASSEMBLY - POWER WINDOW REGULATOR MOTOR ASSEMBLY RH)
NG -- Continue to next step.
5. CHECK WIRE HARNESS (POWER WINDOW REGULATOR SWITCH ASSEMBLY - POWER WINDOW REGULATOR MASTER SWITCH ASSEMBLY)





(a) Disconnect the P12 regulator switch connector.
(b) Disconnect the P9 master switch connector.
(c) Measure the resistance of the wire harness side connectors.
Standard resistance:






NG -- REPAIR OR REPLACE HARNESS AND CONNECTOR
OK -- REPLACE POWER WINDOW REGULATOR MASTER SWITCH ASSEMBLY
6. CHECK WIRE HARNESS (REGULATOR SWITCH ASSEMBLY - POWER WINDOW REGULATOR MOTOR ASSEMBLY RH)





(a) Disconnect the P12 regulator switch connector.
(b) Disconnect the P11 power window motor connector.
(c) Measure the resistance of the wire harness side connectors.
Standard resistance:






NG -- REPAIR OR REPLACE HARNESS AND CONNECTOR
OK -- Continue to next step.
7. CHECK POWER WINDOW REGULATOR SWITCH ASSEMBLY (PASSENGER SIDE)





(a) Remove the regulator switch but do not disconnect the connector.
(b) Turn the ignition switch ON.
(c) Measure the voltage of the connector.
Standard voltage:






NG -- REPLACE POWER WINDOW REGULATOR SWITCH ASSEMBLY (PASSENGER SIDE)
OK -- REPLACE POWER WINDOW REGULATOR MOTOR ASSEMBLY RH (PASSENGER SIDE)