Curiosii for ever!: Car repair manuals for everyone.

VC Output Circuit








2AZ-FE ENGINE CONTROL SYSTEM: SFI SYSTEM: VC Output Circuit

VC Output Circuit

DESCRIPTION

The VC voltage (5 V) is generated in the ECM. The voltage is used to supply power to the throttle position sensor, canister pump module, etc.

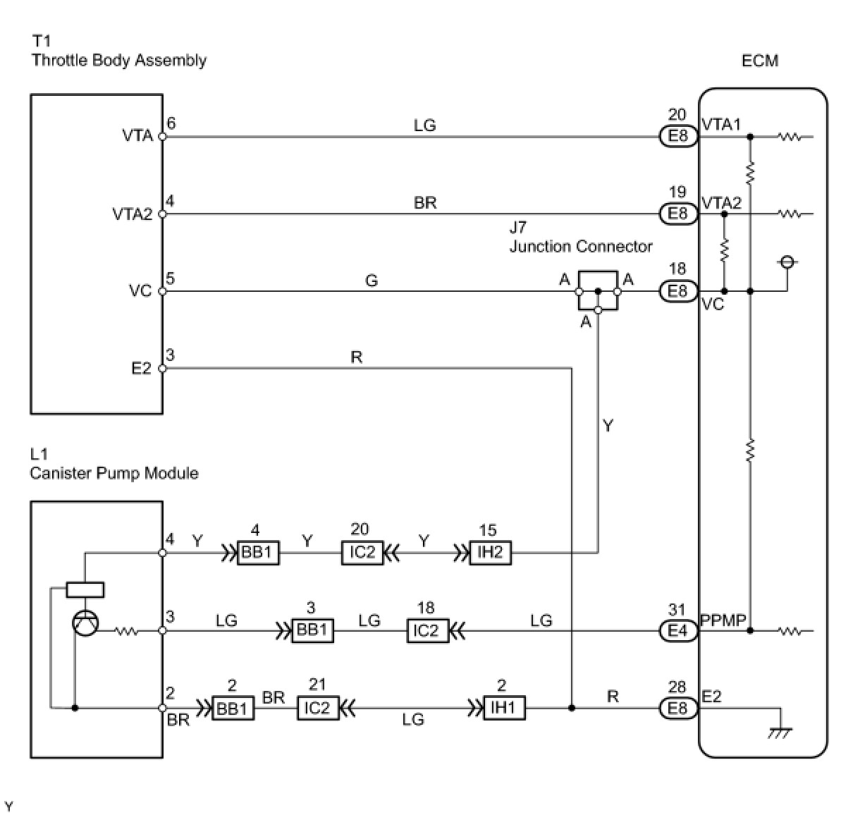
WIRING DIAGRAM





INSPECTION PROCEDURE

PROCEDURE

1. CHECK MIL
(a) Check that MIL (Malfunction Indicator Lamp) lights up when turning the ignition switch to the ON position.
Standard:
MIL lights up
OK -- SYSTEM OK
NG -- Continue to next step.
2. CHECK CONNECTION BETWEEN INTELLIGENT TESTER AND ECM
(a) Connect the intelligent tester to the DLC3.
(b) Turn the ignition switch to the ON position and turn the intelligent tester on.
(c) Check the communication between the intelligent tester and ECM.
Result:






A -- GO TO MIL CIRCUIT
B -- Continue to next step.
3. INSPECT ECM (VC VOLTAGE)





(a) Turn the ignition switch to the ON position.
(b) Measure the voltage according to the value(s) in the table below.
Standard voltage:






NEXT -- Continue to next step.
4. CHECK MIL (THROTTLE POSITION SENSOR)
(a) Disconnect the T1 throttle body connector.
(b) Turn the ignition switch to the ON position.
(c) Check the MIL.
Result:






A -- REPLACE THROTTLE BODY
B -- Continue to next step.
5. CHECK MIL (CANISTER PUMP MODULE)
(a) Disconnect the T1 throttle body connector.
(b) Turn the ignition switch to the ON position.
(c) Check the MIL.
Result:






A -- REPLACE CANISTER
B -- Continue to next step.
6. CHECK WIRE HARNESS (ECM - BODY GROUND)
(a) Disconnect the T1 throttle body connector.
(b) Disconnect the L1 canister pump module connector.
(c) Disconnect the E8 ECM connector.
(d) Measure the resistance according to the value(s) in the table below.
Standard resistance:






NG -- REPAIR OR REPLACE HARNESS OR CONNECTOR
OK -- REPLACE ECM