Curiosii for ever!: Car repair manuals for everyone.

Power Windows Do Not Operate At All

Power Windows do not Operate at All

DESCRIPTION
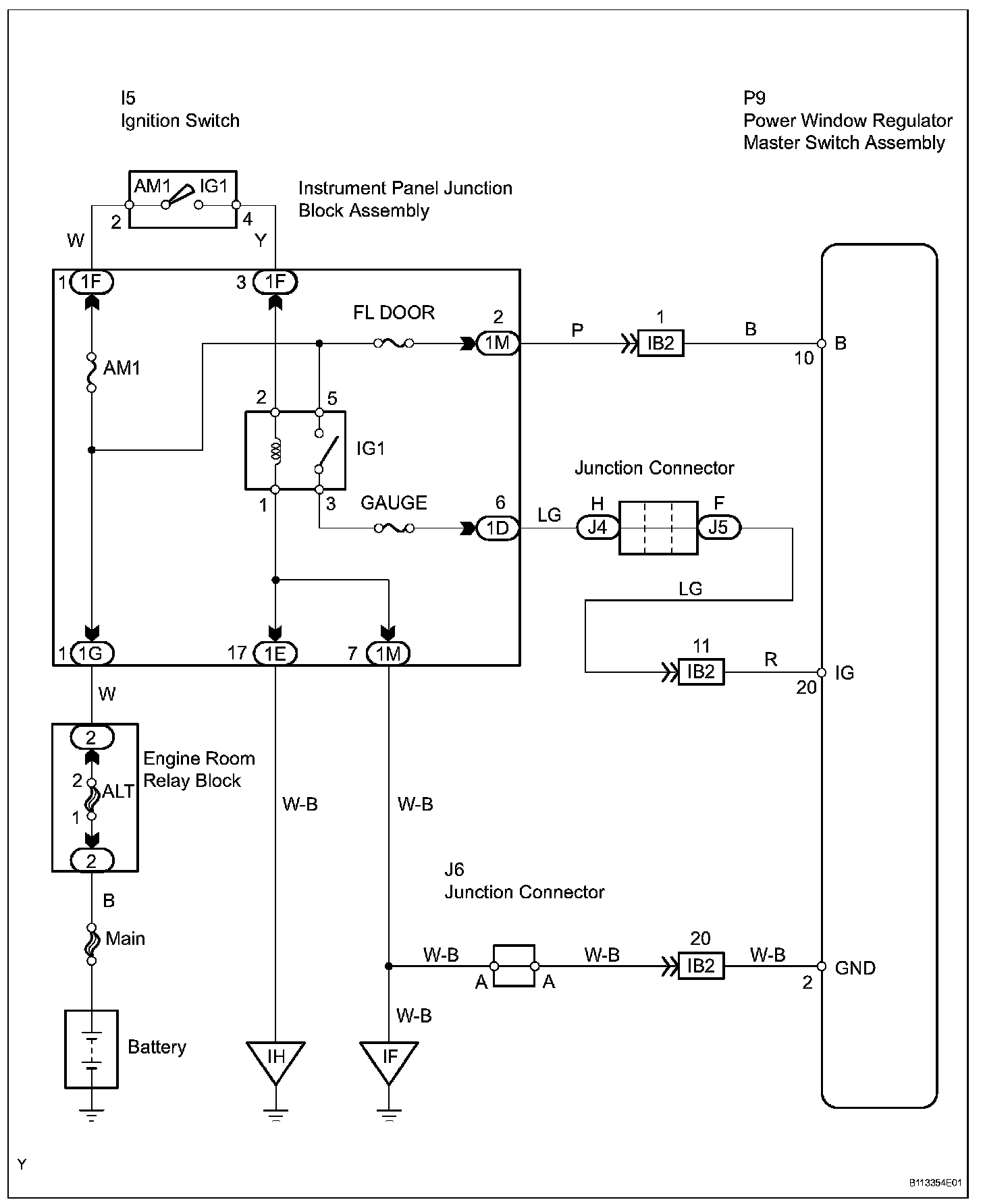
If all of the power windows do not operate, it is possible that no power is being supplied to the power window master switch, or that the power window master switch is malfunctioning.

WIRING DIAGRAM

Wiring Diagram:






INSPECTION PROCEDURE

Step 1 - 3:




Step 3(Continued):