Curiosii for ever!: Car repair manuals for everyone.

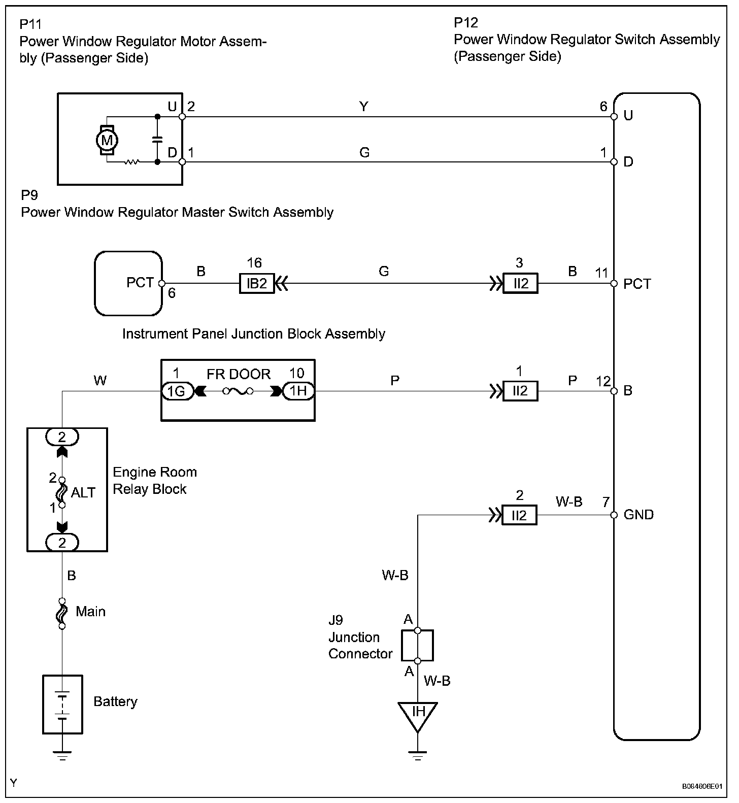
Front Passenger Side Power Window Does Not Operate With Front Passenger Side Power Window Switch

Front Passenger Side Power Window does not Operate with Front Passenger Side Power Window Switch

DESCRIPTION
If the manual UP/DOWN function does not operate, a malfunction may by present in the power window regulator motor, the power window regulator switch or the wire harness.

WIRING DIAGRAM

Wiring Diagram:






INSPECTION PROCEDURE

Step 1 - 3:




Step 4 - 5:




Step 6 - 7: