Curiosii for ever!: Car repair manuals for everyone.

IG2 Relay

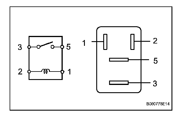
IG2 RELAY

ON-VEHICLE INSPECTION

1. REMOVE IG2 RELAY (Marking: IG2)
a. Remove the engine room relay block cover.
b. Remove the IG2 relay from the engine room relay block.

2. INSPECT IG2 RELAY







a. Measure the EFI relay resistance.

If the result is not as specified, replace the relay.

3. INSTALL IG2 RELAY