Curiosii for ever!
: Car repair manuals for everyone.
Home
>>
Scion
>>
2006
>>
xB L4-1.5L (1NZ-FE)
>>
Repair and Diagnosis
>>
Powertrain Management
>>
Computers and Control Systems
>>
Transmission Position Sensor/Switch
>>
Locations
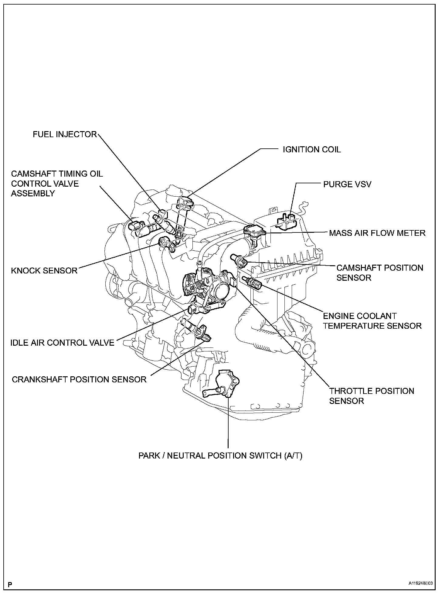
Transmission Position Sensor/Switch: Locations
SFI System: