Curiosii for ever!
: Car repair manuals for everyone.
Home
>>
Scion
>>
2006
>>
xB L4-1.5L (1NZ-FE)
>>
Repair and Diagnosis
>>
Powertrain Management
>>
Computers and Control Systems
>>
Description and Operation
Computers and Control Systems: Description and Operation
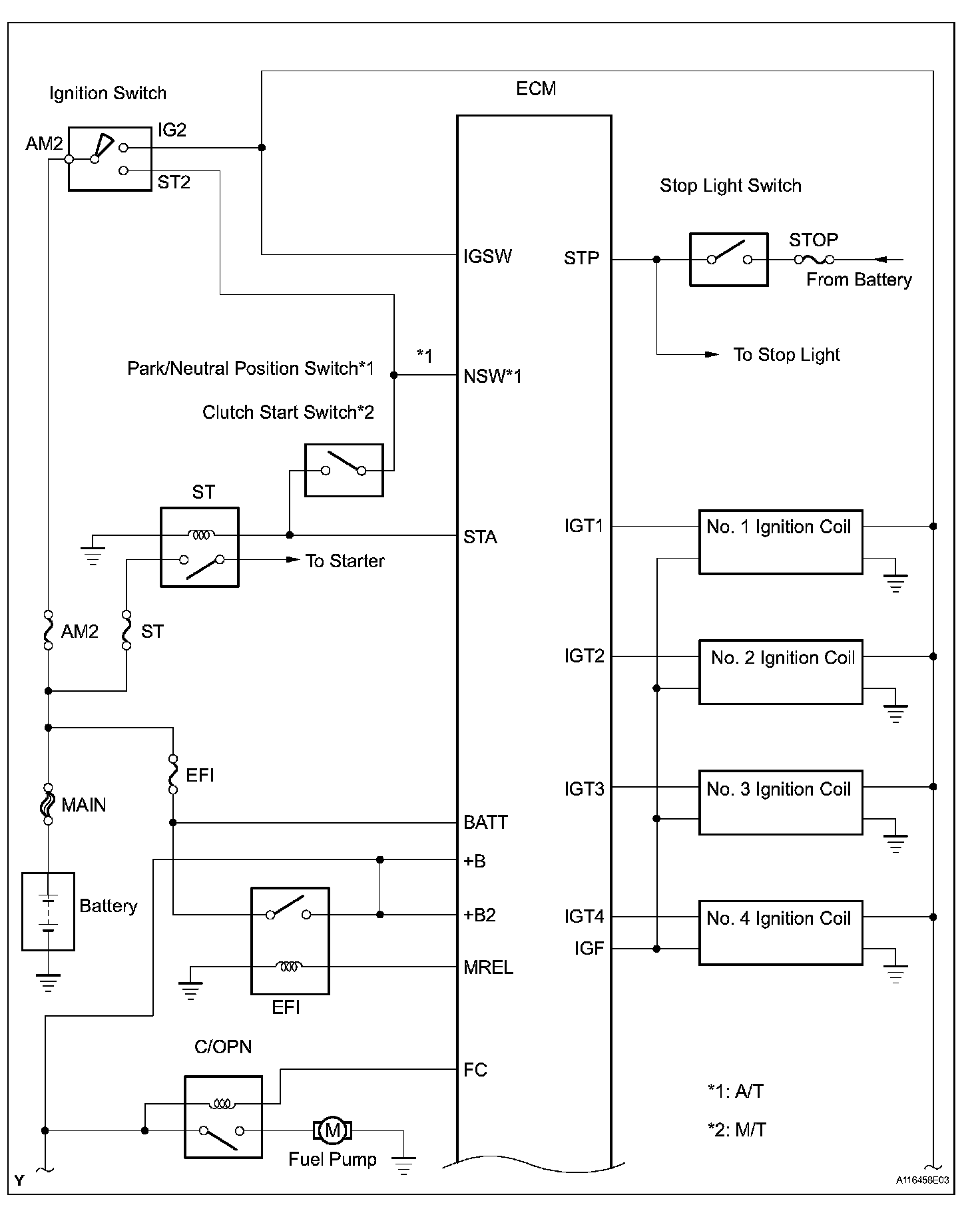
System Diagram (Part 1):
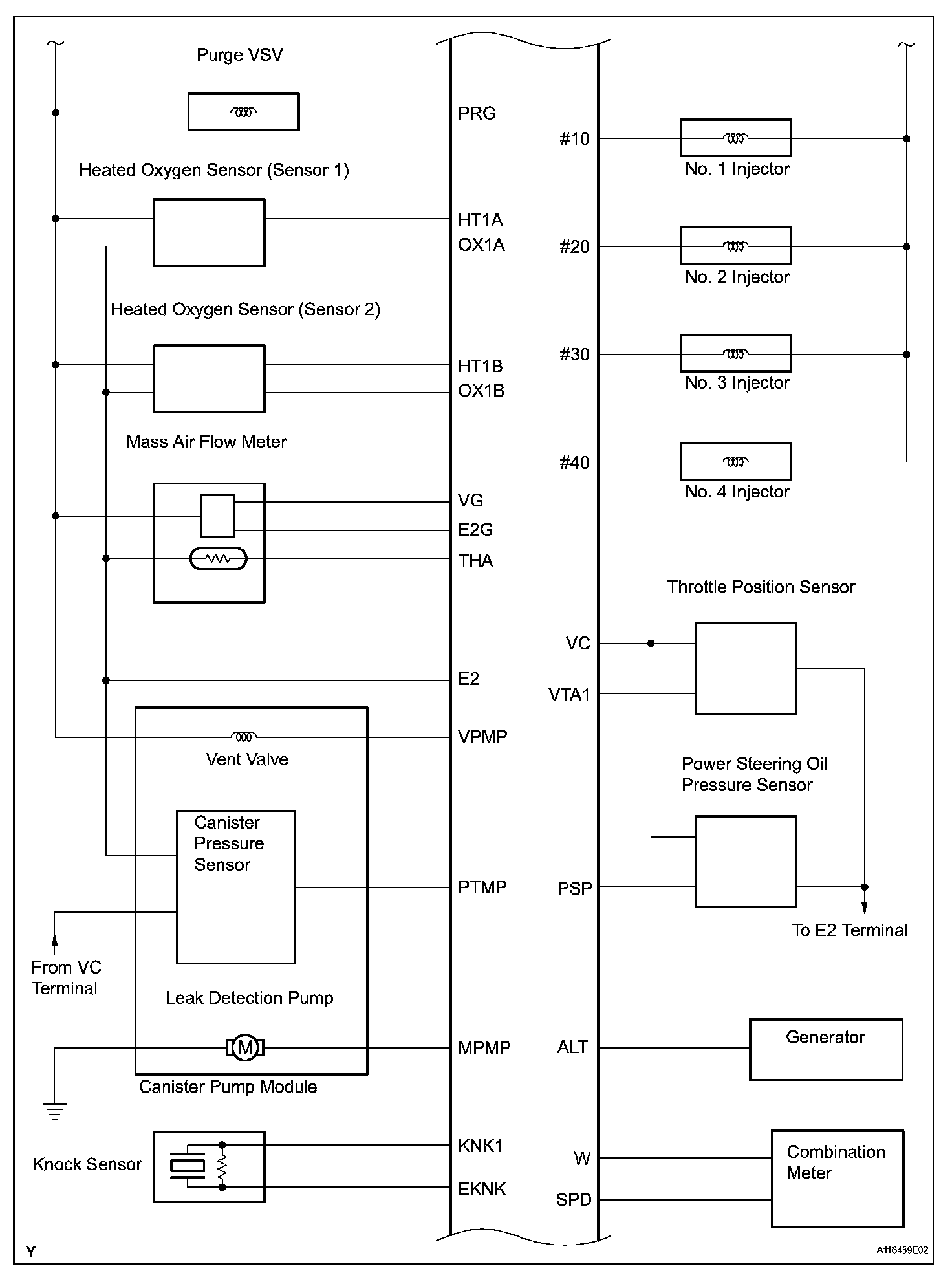
System Diagram (Part 2):
System Diagram (Part 3):