Curiosii for ever!
: Car repair manuals for everyone.
Home
>>
Scion
>>
2006
>>
xA L4-1.5L (1NZ-FE)
>>
Repair and Diagnosis
>>
Diagrams
>>
Exploded Views
>>
Powertrain Management
>>
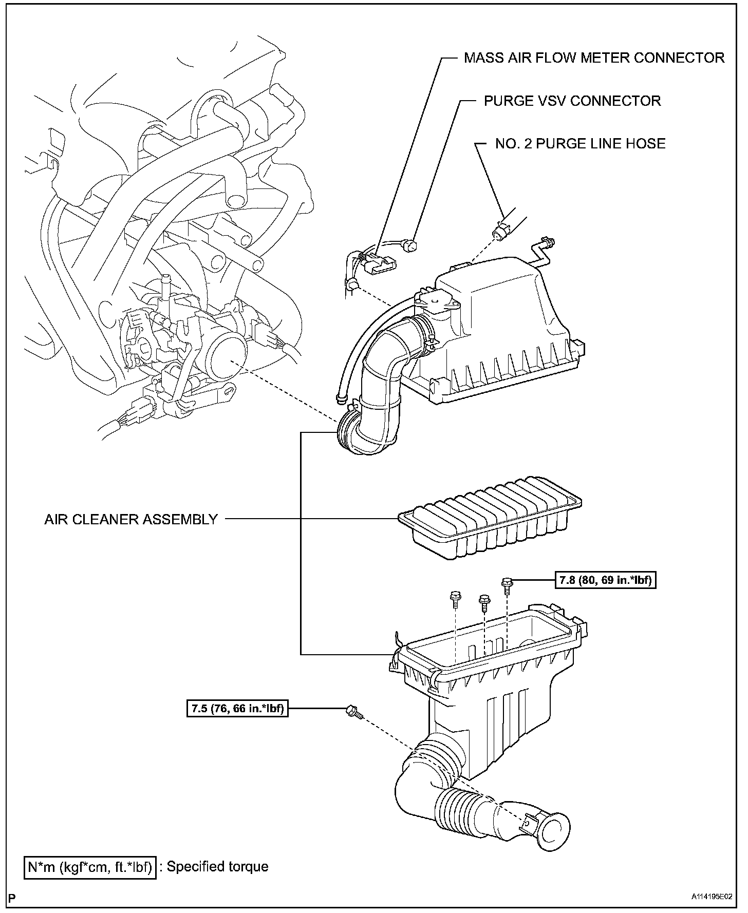
Throttle Position Sensor
Throttle Position Sensor
Throttle Position Sensor:
Throttle Position Sensor: