Curiosii for ever!: Car repair manuals for everyone.

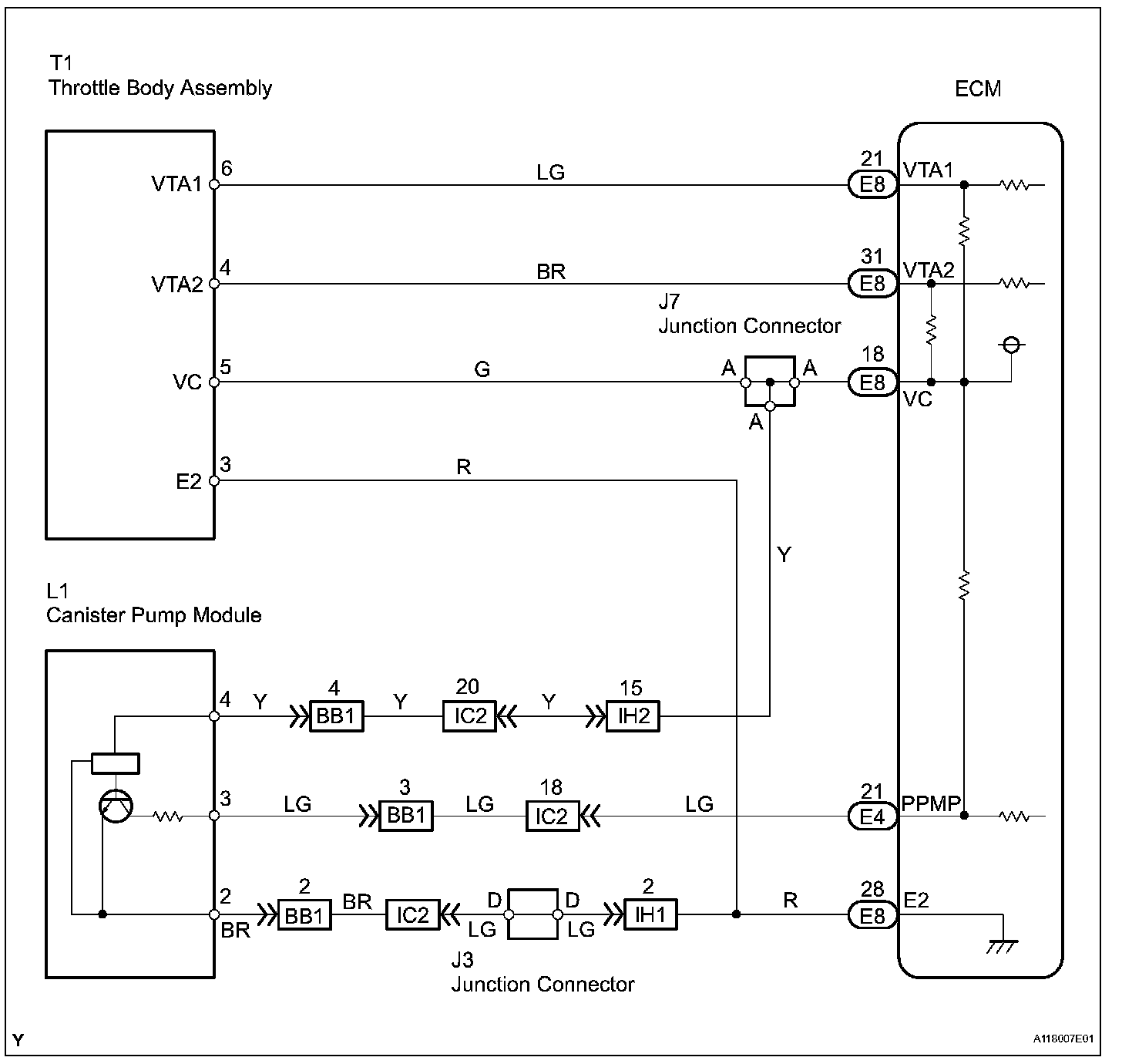
VC Output Circuit

VC Output Circuit

DESCRIPTION
The VC voltage (5 V) is generated in the ECM. The voltage is used to supply power to the throttle position sensor, canister pump module, etc.

Wiring Diagram:






Step 1:




Step 1(Continued)-4:




Step 4(Continued)-6:




INSPECTION PROCEDURE