Curiosii for ever!
: Car repair manuals for everyone.
Home
>>
Scion
>>
2005
>>
xA L4-1.5L (1NZ-FE)
>>
Repair and Diagnosis
>>
Powertrain Management
>>
Computers and Control Systems
>>
Information Bus
>>
Testing and Inspection
>>
Component Tests and General Diagnostics
>>
Check CAN Bus Line
Check CAN Bus Line
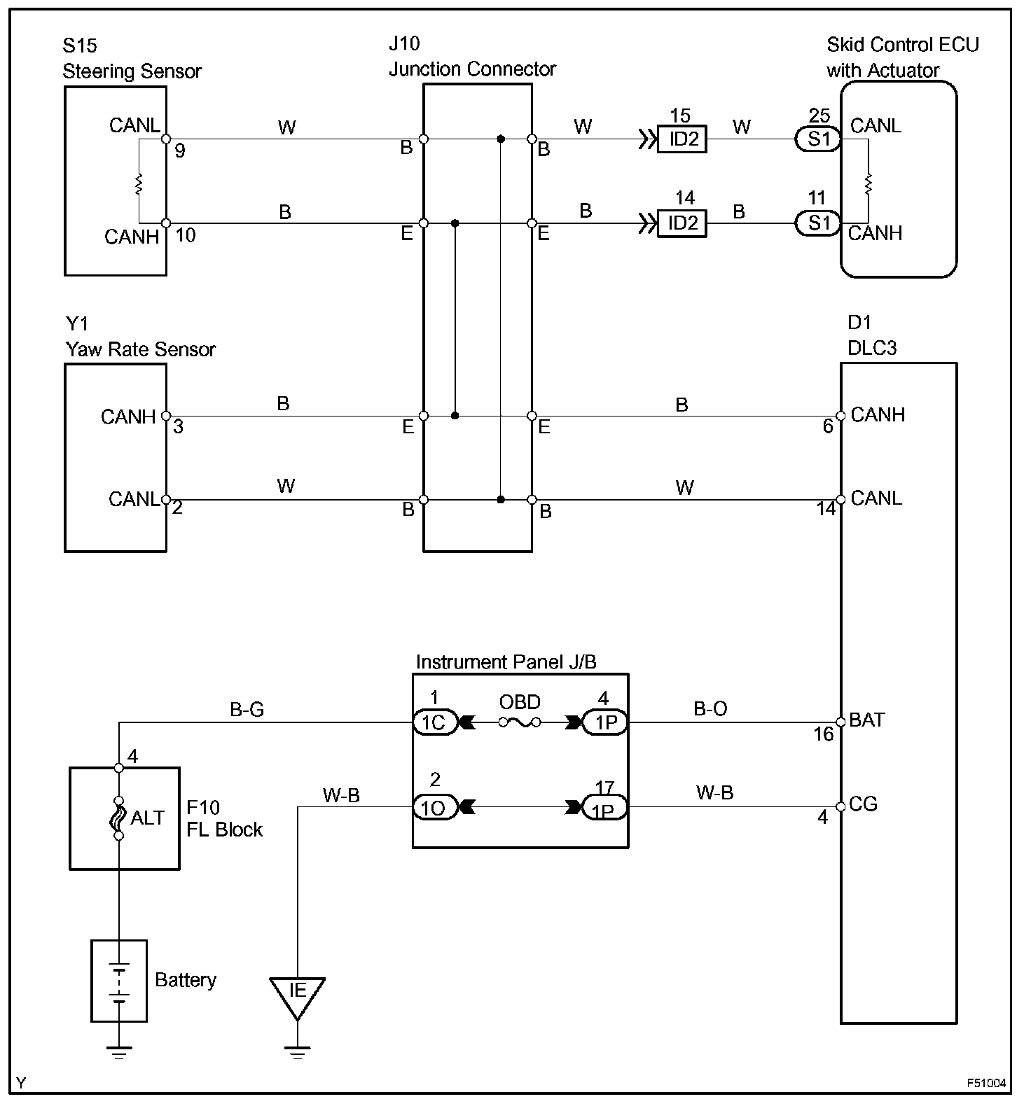
CHECK CAN BUS LINE
CIRCUIT DESCRIPTION
When a CAN communication DTC is output, first measure the resistance between the terminals of the
DLC
3 to specify the trouble area.
Wiring Diagram:
Step 1-2:
Step 3-5:
INSPECTION PROCEDURE