Curiosii for ever!: Car repair manuals for everyone.

Component Tests and General Diagnostics

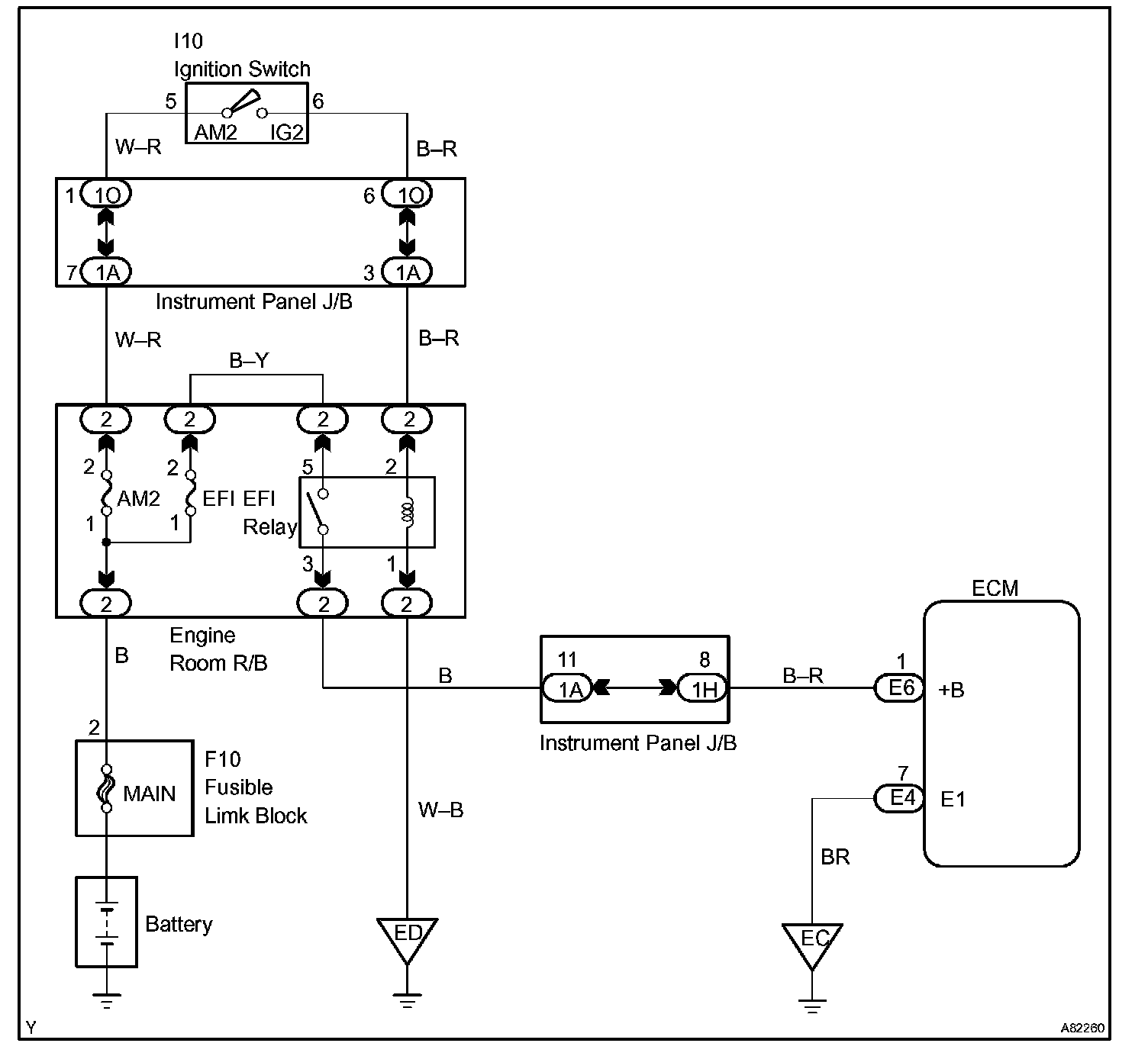
ECM POWER SOURCE CIRCUIT

CIRCUIT DESCRIPTION
When the ignition switch is turned to ON, the positive battery voltage is applied to the coil, which closes the contacts of the EFI main relay (Marked: EFI) and supplies power to terminal +B of the ECM.

If the ignition switch is turned off, the ECM continues to switch on the EFI relay for a maximum of 2 seconds for the initial setting of the throttle valve.

Wiring Diagram:






Step 1 - 3:




Step 4 - 5:




Step 6 - 7:




Step 8 - 9:




Step 10:




INSPECTION PROCEDURE