Curiosii for ever!
: Car repair manuals for everyone.
Home
>>
Scion
>>
2005
>>
xA L4-1.5L (1NZ-FE)
>>
Repair and Diagnosis
>>
Diagrams
>>
Connector Views
>>
Fuse Block
Fuse Block
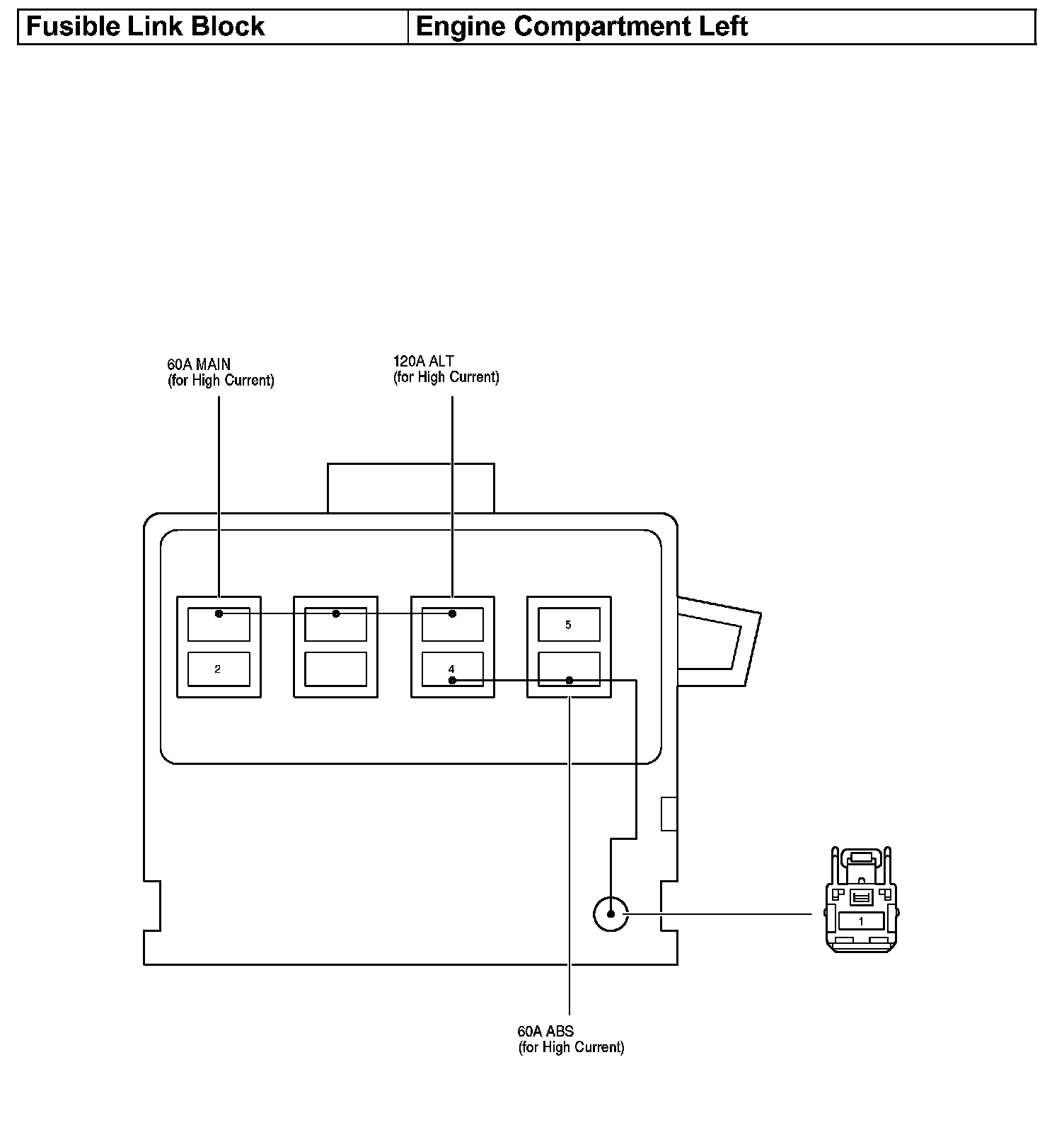
Fusible Link Block - Engine Compartment Left:
Instrument Panel J/B - Lower Finish Panel:
Instrument Panel J/B - Lower Finish Panel: