Curiosii for ever!
: Car repair manuals for everyone.
Home
>>
Scion
>>
2005
>>
tC L4-2.4L (2AZ-FE)
>>
Repair and Diagnosis
>>
Powertrain Management
>>
Computers and Control Systems
>>
Description and Operation
Computers and Control Systems: Description and Operation
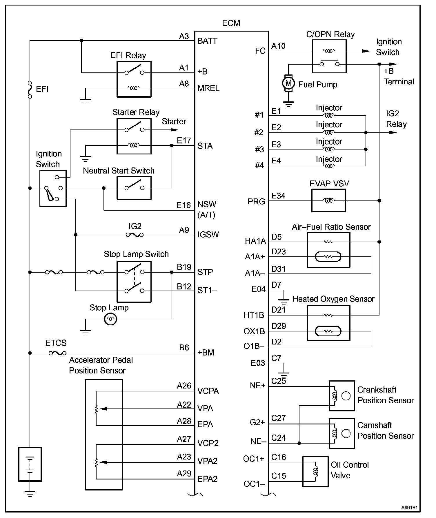
System Diagram Part 1:
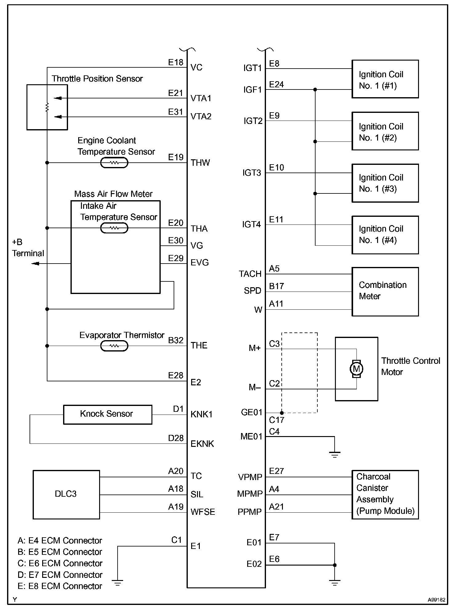
System Diagram Part 2: