Curiosii for ever!
: Car repair manuals for everyone.
Home
>>
Scion
>>
2005
>>
tC L4-2.4L (2AZ-FE)
>>
Repair and Diagnosis
>>
Diagrams
>>
Exploded Views
>>
Heating and Air Conditioning
>>
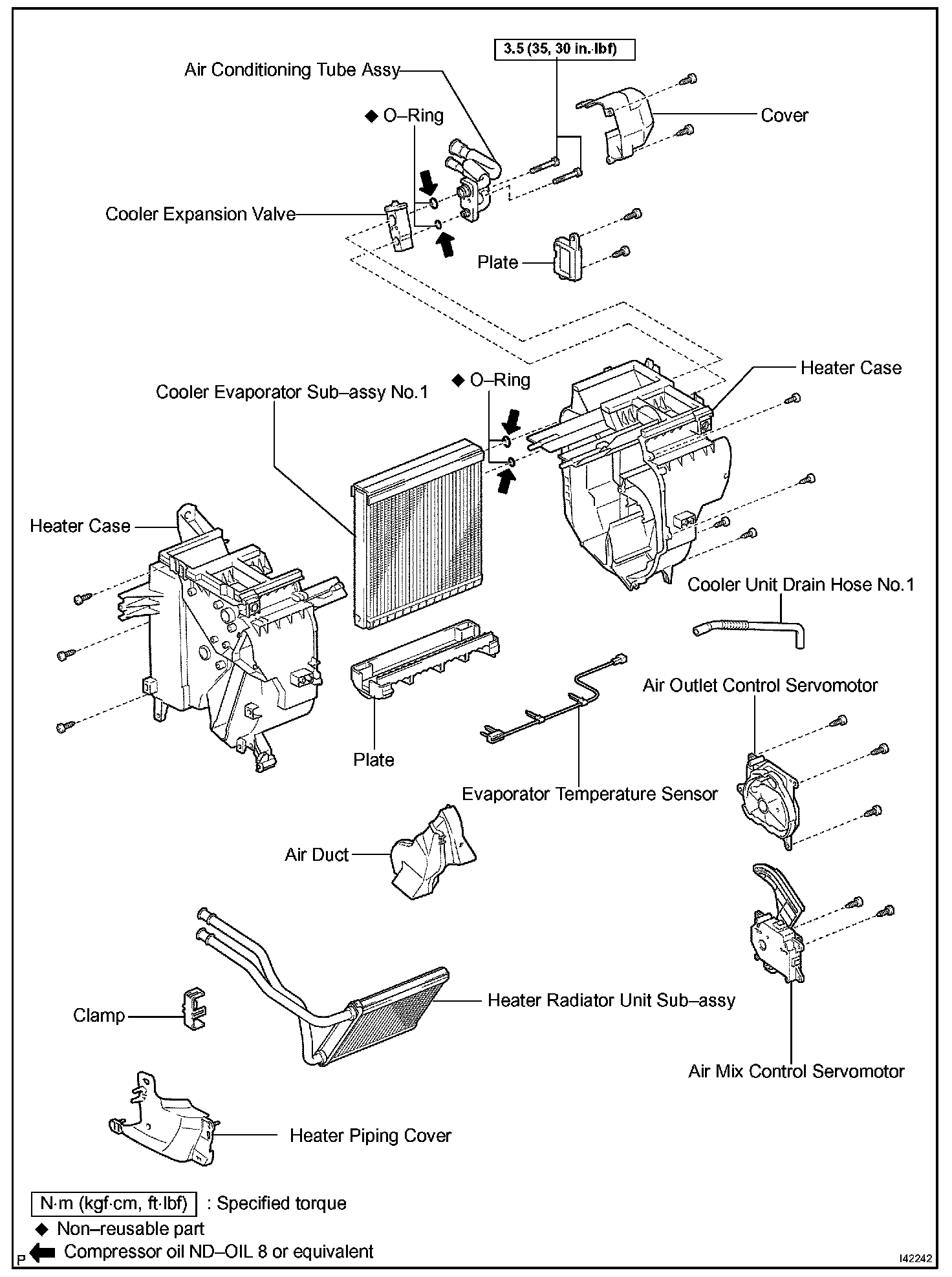
System Diagram
System Diagram