Curiosii for ever!
: Car repair manuals for everyone.
Home
>>
Scion
>>
2004
>>
xB L4-1.5L (1NZ-FE)
>>
Repair and Diagnosis
>>
Diagrams
>>
Exploded Views
>>
Engine
>>
System Diagram
>>
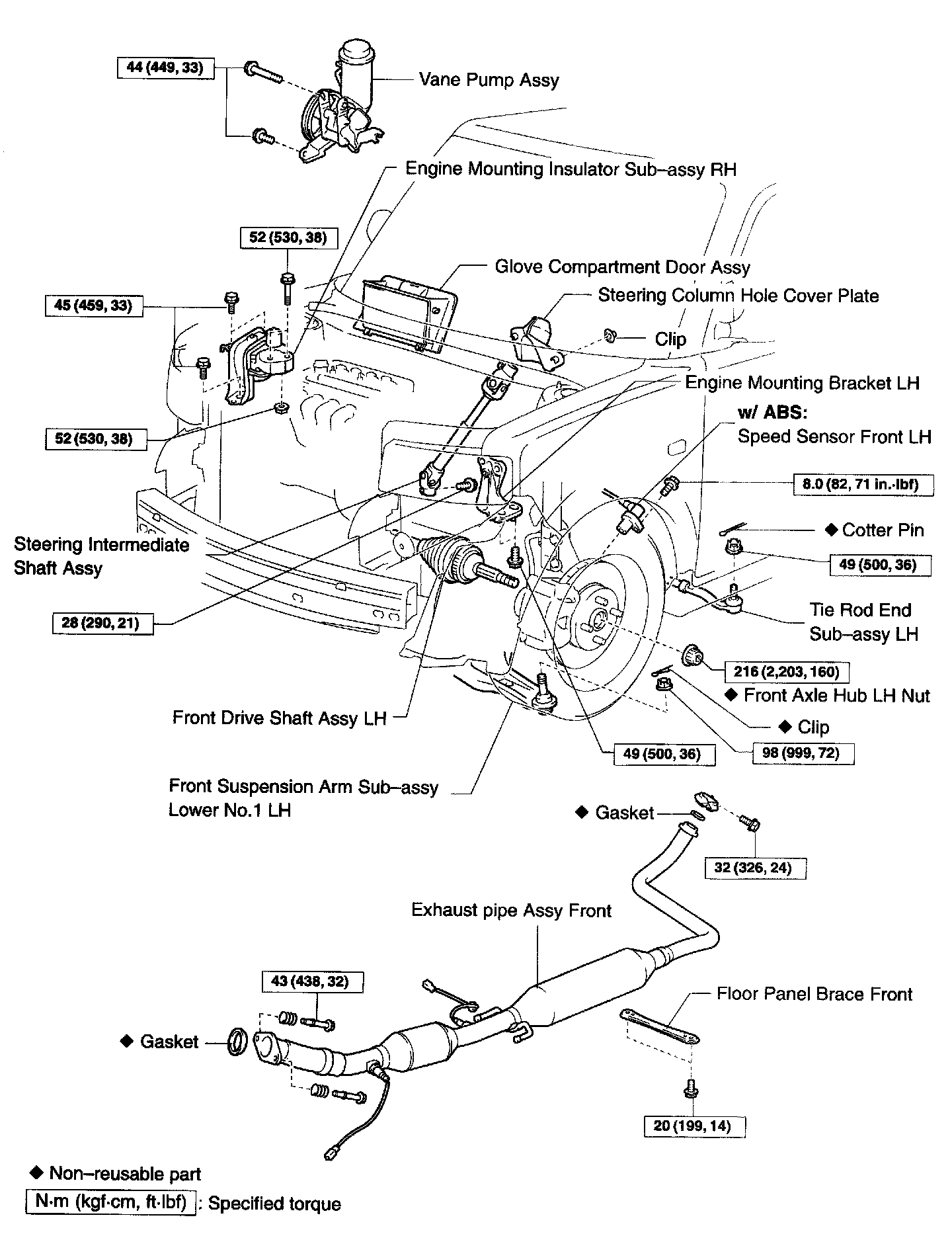
Engine Overhaul
Engine Overhaul
Part 1 Of 10:
Part 2 Of 10:
Part 3 Of 10:
Part 4 Of 10:
Part 5 Of 10:
Part 6 Of 10:
Part 7 Of 10:
Part 8 Of 10:
Part 9 Of 10:
Part 10 Of 10:
PARTIAL ENGINE ASSY REPLACEMENT W/ RELATED COMPONENTS