Curiosii for ever!: Car repair manuals for everyone.

Heater or Boost Ventilator Control Assembly

HEATER OR BOOST VENTILATOR CONTROL ASSY

REPLACEMENT

1. REMOVE INSTRUMENT CLUSTER FINISH PANEL GARNISH NO.2
2. REMOVE INSTRUMENT CLUSTER FINISH PANEL GARNISH NO.1




3. REMOVE HEATER CONTROL KNOB
a. Remove the 3 heater control knobs.




4. REMOVE INSTRUMENT CLUSTER FINISH PANEL SUB ASSY CTR
a. Remove the 4 screws.
b. Disengage the 4 clips and the claw, and then remove the instrument cluster finish panel sub assy CTR.
c. Disconnect the connectors.

5. REMOVE HEATER CONTROL & ACCESSORY ASSY




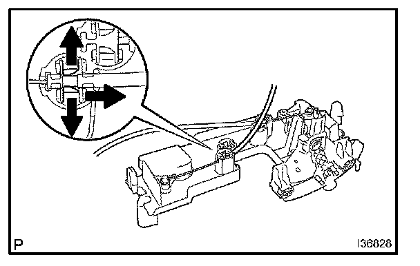
a. Disengage the 3 claws and disconnect the heater control & accessory assy.




b. Using a screwdriver, open the claw of the cable clamp and disconnect the defroster damper control cable sub assy.

NOTE:
- Be careful not to bend the cable wire.
- If the cable wire bends, the defroster damper control cable sub assy operation may be affected.

HINT: Tape up the screwdriver tip before use.




c. Using a screwdriver, open the claw of the cable clamp and disconnect the air mix damper control cable sub assy.

NOTE:
- Be careful not to bend the cable wire.
- If the cable wire bends, the air mix damper control cable sub assy operation may be affected.

HINT: Tape up the screwdriver tip before use.

d. Remove the heater control & accessory assy.




6. REMOVE AIR INLET DAMPER CONTROL LEVER
a. Disengage the claw, and remove the air inlet damper control lever.




7. REMOVE HEATER SWITCH ASSY
a. Remove the 2 screws and heater switch.

8. REMOVE HEATER OR BOOST VENTILATOR CONTROL ASSY

9. INSTALL HEATER CONTROL & ACCESSORY ASSY




a. Install the inner cable end of the air mix damper control cable sub assy on the heater control & accessory assy.
b. Install the outer cable of the air mix damper control cable sub assy on the cable clamp.

NOTE:
- Be careful not to bend the cable wire.
- If the cable wire bends, the air mix damper control cable sub assy operation may be affected.

HINT:
- Operating the heater control knob, check that it properly stops at both ends of MAX. COOL and MAX. HOT and no recoil is identified.
- Check that the outer cable is not disengaged (moved) from the heater control & accessory assy when the cable is pulled.




c. Install the inner cable end of the defroster damper control cable sub assy on the heater control lever.
d. Install the outer cable of the defroster damper control cable sub assy on the cable clamp.
e. Connect the connector and install the heater control & accessory assy.

NOTE:
- Be careful not to bend the cable wire.
- If the cable wire bends, the heater control & accessory assy operation may be affected.

HINT:
- Operating the heater control knob, check that it properly stops at both ends of FACE and DEF and no recoil is identified.
- Check that the outer cable is not disengaged (moved) from the heater control & accessory assy when the cable is pulled.