Curiosii for ever!: Car repair manuals for everyone.

Receiver Dryer: Service and Repair




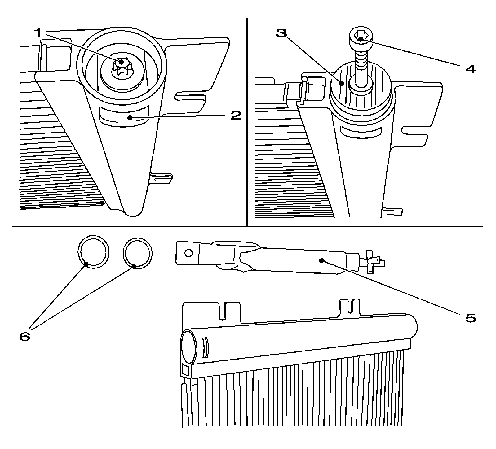
Receiver and Dehydrator Replacement

Removal Procedure

1. Remove the condenser. Refer to Air Conditioning Condenser Replacement (Service and Repair).




2. Remove the dryer insert (5).
3. Remove the cover cap.
4. Remove the bolt (1).
5. Remove the retaining plate (2).
6. Remove the dryer insert cover (3).
If necessary use M6 bolt (4).

Important: Wet the sealing rings with mineral oil before installation.


7. Replace the sealing rings (6).

Installation Procedure





Important: Only for vehicles with reduced dryer housing height.


1. Shorten dryer insert.
Cut the dryer insert at notched point (arrow) using a suitable tool.
2. Install the dryer insert.
3. Install the dryer insert cover.
4. Install the retaining plate.

1. Install the bolt.
2. Attach the cover cap.

5. Install the condenser. Refer to Air Conditioning Condenser Replacement (Service and Repair).