Curiosii for ever!: Car repair manuals for everyone.

Battery Tray: Service and Repair



Battery Tray Replacement (LZ4/LY7)

Removal Procedure




1. Remove the battery.
2. Remove the engine control module (ECM). Refer to one of the following:

* Engine Control Module Replacement for the 3.5L engine
* Engine Control Module Replacement for the 3.6L engine

3. Remove the junction block.
4. Remove the air duct retainer.
5. Remove the air duct from the battery tray.
6. Remove the mounting bolts for the battery tray.




7. Remove the battery tray.






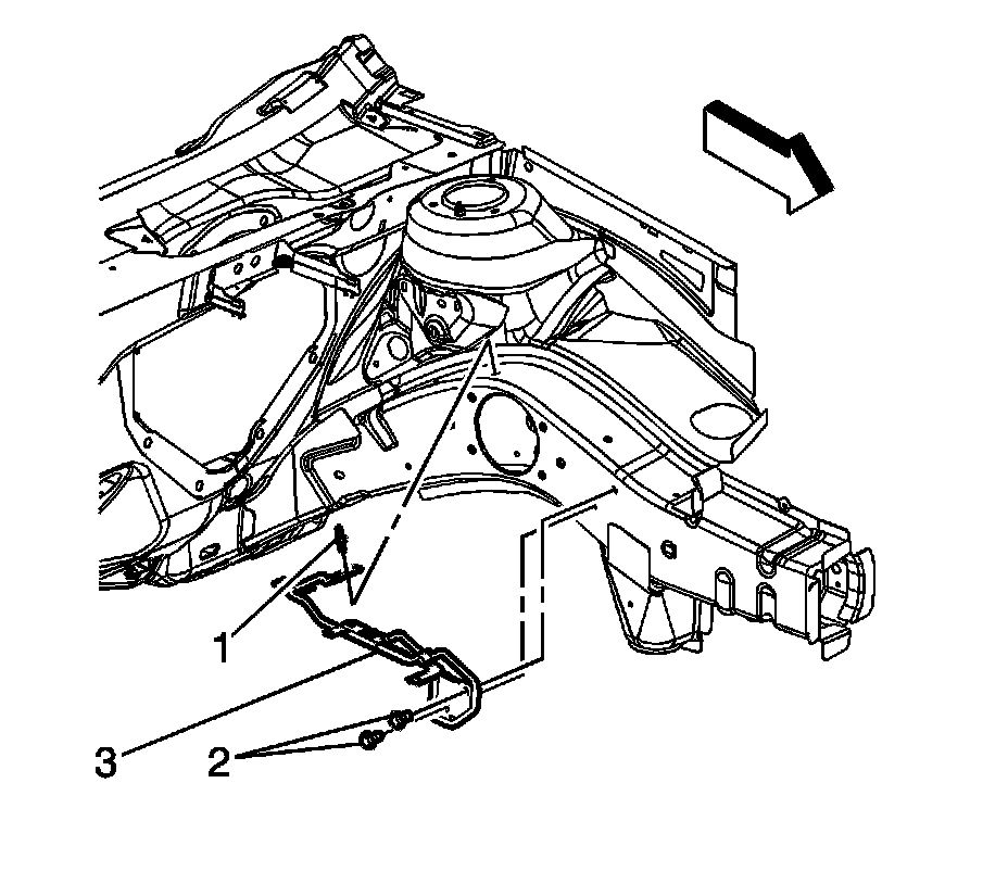
Important: The following service procedure are to be used if the battery tray support needs to be serviced.

8. Remove the stud nut (1) from the frame rail.
9. Remove the mounting bolts (2).
10. Remove the battery tray support.

Installation Procedure




1. Position the battery tray support on the frame rail.

Notice: Refer to Fastener Notice.

Important: When tightening the mounting bolts and the nut stud, they must be tightened in sequence.

2. Install the stud nut (1).

Tighten the nut to 25 N.m (18 lb ft).

3. Install the mounting bolts (2).

Tighten the nut to 25 N.m (18 lb ft).




4. Position the battery tray on the support.
5. Install the mounting bolts for the battery tray.

Tighten the nut to 16 N.m (12 lb ft).




6. Install the air duct into the battery tray.
7. Install the air duct retainer.
8. Install the junction block.
9. Install the ECM. Refer to one of the following:

* Engine Control Module Replacement for the 3.5L engine
* Engine Control Module Replacement for the 3.6L engine

10. Install the battery.