Curiosii for ever!: Car repair manuals for everyone.

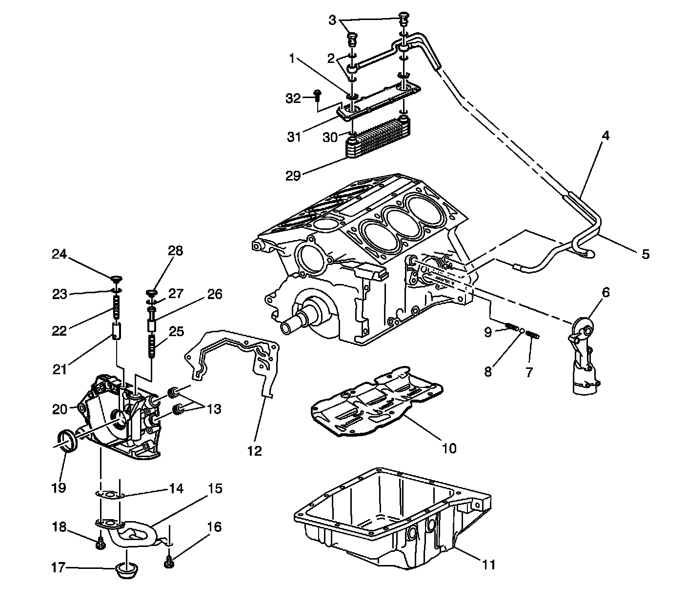
Oil Pan and Delivery Components



Oil Pan and Delivery Components





1 - Oil Cooler Inlet/Outlet Nuts
2 - Oil Cooler Pipe Seals
3 - Oil Cooler Line Banjo Fittings
4 - Oil Cooler Inlet Pipe
5 - Oil Cooler Outlet Pipe
6 - Oil Filter Adapter
7 - Oil Filter Bypass Valve
8 - Oil Filter Bypass Check Ball
9 - Oil Filter Bypass Spring
10 - Oil Pan Baffle
11 - Oil Pan
12 - Oil Pump Gasket
13 - Oil Pump Pipe Plug
14 - Oil Intake Pipe O-ring
15 - Oil Intake Pipe
16 - Oil Intake Pipe Bolt
17 - Oil Pump Inlet Screen
18 - Oil Intake Pipe Bolt
19 - Oil Pump Collar
20 - Oil Pump
21 - Oil Pressure Relief Valve
22 - Oil Pressure Relief Valve Spring
23 - Oil Pressure Relief Valve Seal
24 - Oil Pressure Relief Valve Plug
25 - Oil Pressure Regulator Valve Spring
26 - Oil Pressure Regulator Valve
27 - Oil Pressure Regulator Valve Seal
28 - Oil Pressure Regulator Valve Plug
29 - Oil Cooler
30 - Oil Cooler Inlet/Outlet Seals
31 - Oil Cooler Cover
32 - Oil Cooler Cover Bolt