Curiosii for ever!
: Car repair manuals for everyone.
Home
>>
Saturn
>>
2005
>>
L Series V6-3.0L VIN R
>>
Repair and Diagnosis
>>
Diagrams
>>
Electrical Diagrams
>>
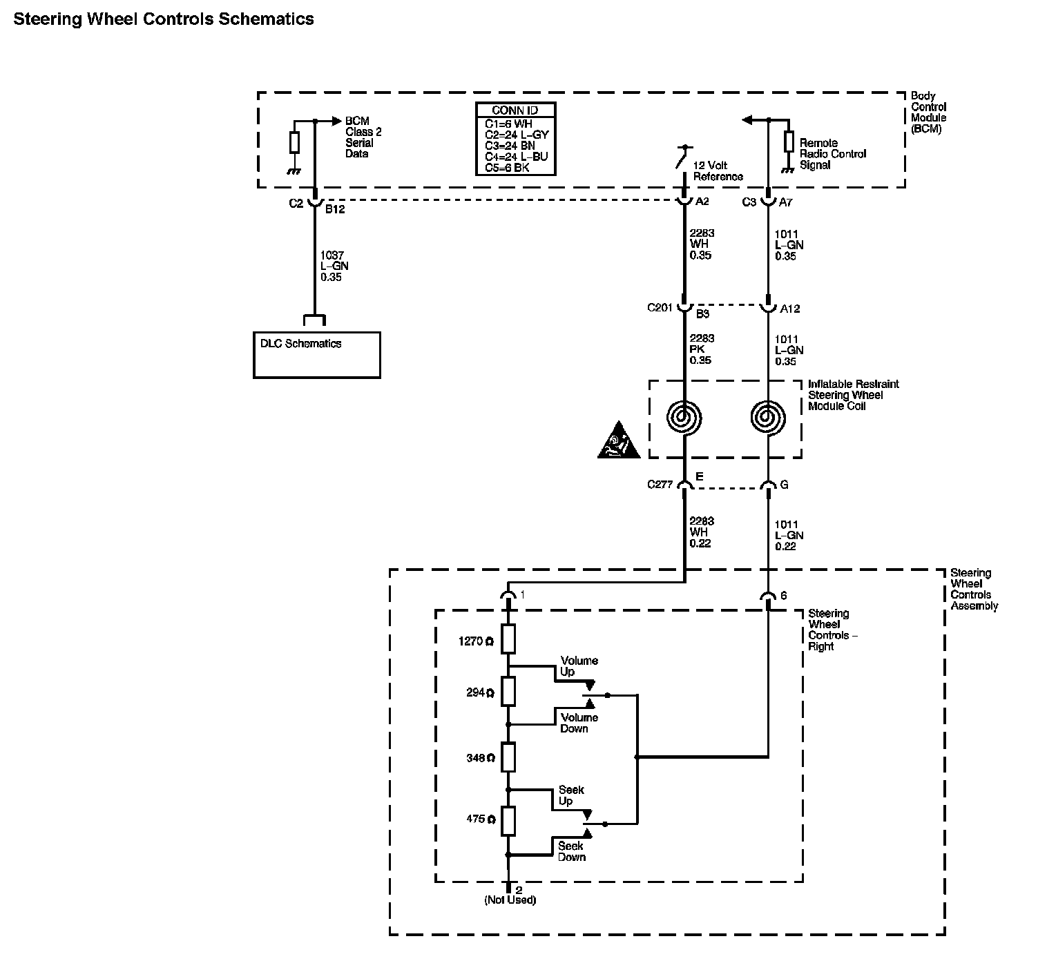
Steering Mounted Controls Transmitter
Steering Mounted Controls Transmitter
Steering Wheel Controls Diagram:
Location:
The locations for the Connectors, Grounds, Splices, and Grommets shown within these diagrams can be found via their numbers at vehicle locations.
Locations