Curiosii for ever!: Car repair manuals for everyone.

Input Shaft Speed Sensor Replacement

Input Shaft Speed Sensor Replacement

Removal Procedure





1. Disconnect the wiring harness from the input speed sensor.

Important: Do not damage the input speed sensor or transaxle case.

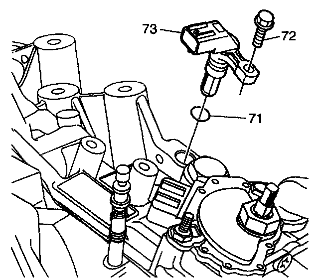
2. Remove the input speed sensor bolt/screw (72).
3. Remove the input speed sensor (73), and the input speed sensor O-ring (71).
4. Inspect the input speed sensor for damage.

Installation Procedure





1. Apply automatic transmission fluid to the new input speed sensor 0-ring seal (71).
2. Install the new input speed sensor 0-ring seal (71) onto the input speed sensor (73).
3. Install the input speed sensor (73) into the transmission case assembly (17).

Notice: Refer to Fastener Notice in Service Precautions.

4. Install the input speed sensor bolt (72).
^ Tighten the input speed sensor bolt (72) to 4.5 Nm (40 inch lbs.).