Curiosii for ever!: Car repair manuals for everyone.

Cross-Member: Service and Repair

REAR SUSPENSION ASSEMBLY

REMOVAL

CAUTION: MAKE SURE VEHICLE IS PROPERLY SUPPORTED AND SQUARELY POSITIONED ON HOIST. TO HELP AVOID PERSONAL INJURY, PROVIDE ADDITIONAL SUPPORT TO THE OPPOSITE END OF THE VEHICLE THAT COMPONENTS WILL BE REMOVED FROM.

1. Raise vehicle on hoist.
2. Remove rear wheels.





3. Remove left and right trailing arm-to-knuckle nuts.
4. Remove left and right trailing arm-to-body fasteners and remove arms from knuckles.





5. Remove lateral link-to-knuckle fastener on right and left sides.





6. Unfasten crossbody brake pipe from crossmember by unsnapping brake pipe fasteners from crossmember.





7. If equipped with rear stabilizer shaft, remove bar-to-link fasteners on left and right sides.

IMPORTANT: Note the location and position of brake pipes prior to loosening and make sure to install pipes to same position.

IMPORTANT: Plug brake pipes to avoid excessive brake fluid loss and contamination.





8. Remove right and left brake pipes from their respective cross member junction brackets.
9. Remove brake hose to cross member securing clips on right and left sides.
10. Remove brake pipe-to-longitudinal rail fastener.
11. Carefully slide the right rear brake pipe out of the crossmember by slowly pulling pipe from the left side of the crossmember.





12. On ABS equipped vehicles, remove ABS wheel speed sensor harness from front lateral links and unplug from sensors.

CAUTION: FAILURE TO SUPPORT CROSSMEMBER CAN CAUSE CROSSMEMBER TO DROP TO THE GROUND WHEN CROSSMEMBER MOUNTING BOLTS ARE REMOVED.

CAUTION: SUPPORT THE FRONT OF THE VEHICLE TO ENSURE THAT THE VEHICLE WILL NOT BECOME UNBALANCED AND TIP FORWARD, OFF THE HOIST, ONCE THE REAR CROSSMEMBER IS REMOVED (DUE TO DECREASED PROPORTION OF REAR VEHICLE MASS). FAILURE TO SUPPORT FRONT OF VEHICLE COULD CAUSE VEHICLE TO FALL OFF HOIST.

13. Support crossmember with suitable support stand.

NOTICE: Note size and location of fasteners. One of the bolts may be slightly larger in diameter than the others. Make sure to use the correct size bolts at the correct locations during installation.





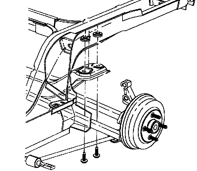
14. Remove four crossmember-to-body attachment fasteners.
15. Remove crossmember from vehicle.

INSTALLATION





1. Install crossmember onto vehicle while carefully sliding rear brake line into crossmember. Align crossmember to body using a 3/8 inch rod at alignment hole and slot.

NOTICE: New bolts of correct size and at correct location must be used.

2. Install fasteners and torque to specification.
Torque: Crossmember-to-Body Fastener: 120 Nm (89 ft. lbs.)
3. Place trailing arm (with bushings) into knuckle and install fastener nut.

IMPORTANT: Do not torque fastener at this time.

4. Install trailing arm into body and secure with fasteners.
Torque: Trailing Arm-to-Body Fasteners: 120 Nm (89 ft. lbs.)





5. Install lateral links onto knuckle and install fasteners.

IMPORTANT: Do not torque fasteners at this time.

6. Torque trailing arm-to-knuckle nut.
Torque: Trailing Arm-to-Knuckle Fasteners: 100 Nm (74 ft. lbs.)
7. Torque lateral link-to-knuckle fasteners.
Torque: Lateral Link-to-Knuckle Fastener: 165 Nm (122 ft. lbs.)





8. If equipped with rear stabilizer shaft, install rear stabilizer shaft onto links with fastener and torque to specification.
Torque: Rear Stabilizer Shaft-to-Link Fastener: 40 Nm (30 ft. lbs.)





9. Attach left and right brake hoses to crossmember with securing clips.
10. Install right and left brake pipes into their respective crossmember junction brackets.
11. Install brake pipe to longitudinal rail fastener.
12. On ABS equipped vehicles, install ABS wheel speed sensor harness to front lateral link and plug into sensor.
13. Bleed brakes.

NOTICE: Before installing wheels, remove rust or corrosion from wheel mounting surfaces and brake rotors/drums. Failure to do so can cause wheel nuts to loosen in service.

14. Position wheel onto hub.





15. Install wheel nuts and tighten in a crisscross pattern. Repeat tightening pattern to make sure torque is correct.
Torque: Wheel Nuts: 140 Nm (103 ft. lbs.)
16. Lower vehicle from hoist.
17. Perform vehicle wheel alignment.