Curiosii for ever!: Car repair manuals for everyone.

HVAC Module Removal

TOOLS REQUIRED
^ J 43894 Cockpit Assembly Aid
^ KM-210 Steering Wheel Puller




1. Disconnect negative battery cable.

IMPORTANT: Verifying the purity of the refrigerant with a purity identifier before recovery is recommended.

2. Recover refrigerant using an approved refrigerant recovery system. Measure the amount of oil lost during recovery and record.

CAUTION: DO NOT REMOVE HOSES OR LINES BEFORE SYSTEM IS FULLY DISCHARGED.

NOTE: When removing the TXV, keep dirt and foreign material from getting on or into the O-ring sealing surfaces. Clean tools and a clean work area are important for proper service. The TXV seal area should be cleaned before any repairs are performed. The parts must be kept clean at all times and any parts to be assembled should be cleaned with a non-petroleum based solvent and dried with air. Use only lint free cloths to wipe parts. Do not allow solvent to enter evaporator or hoses.

IMPORTANT: On earlier vehicles a bolt was used instead of a stud/nut.




3. Remove suction/liquid line assembly to TXV retaining nut.
4. Remove suction/liquid line assembly block from TXV by gently rocking while pulling forward.
5. Install cap on suction/liquid line assembly to prevent oil spillage.
6. Install cap on TXV to prevent oil loss and dirt entry.




7. Drain coolant. Refer to "Draining Coolant" in the Cooling".
8. Remove heater inlet hose:
^ From auxiliary water pump outlet on L81 engines.
^ From thermostat outlet on L61 engines.




9. Remove heater return hose:
^ From cylinder head bridge on L81 engines.
^ From block inlet on L61 engines.
10. Place end of heater return hose in a container and apply low pressure (34 kPa, 5 psi) shop air to the heater inlet hose to blow coolant out of heater core.
11. Install heater return hose to nipple and position clamp at 6:00 position on L81, 12:00 position on L61.
12. Install heater inlet hose to auxiliary water pump outlet on L81, thermostat outlet on L61 and position clamps at 12:00.

IMPORTANT: Green plastic rings may be found hanging on the pipes after hose removal, these are manufacturing aids and should be discarded.




13. Remove heater inlet hose from heater core pipe.
13.1 Depress quick connect collar tab located at 6 o'clock.
13.2 Pull black collar toward front of vehicle.
13.3 Pull quick connect off heater core pipe.




14. Remove heater outlet hose from heater core pipe.
14.1 Depress quick connect collar tab located at 6 o'clock.
14.2 Pull black collar toward front of vehicle.
14.3 Pull quick connect off heater core pipe.
15. Disable the SIR System. (Refer to "Disabling the SIR System" procedure.)




16. Gently pull on left and right side console extensions to remove extensions.

Power Window Vehicles Only:




17. Using a small flat blade tool, gently pry upward on rear portion of the power window switch to partially disengage switch from console.
18. Disconnect power window switch harness from switch and remove power window switch.




19. Disengage console park brake boot by squeezing the boot in while pulling upward.
20. Lift park brake boot over park brake assembly.




21. Remove front console tray by pulling upward on tray assembly.
22. Disconnect console wiring harness from main body wiring harness.

Automatic Transaxle Vehicles Only:




23. Pull up on PRNDL cover to disengage cover.

5-Speed Transaxle Vehicles Only:




24. Pull up on shifter boot to disengage boot.




25. Move front seats to forward most position and remove console rear fasteners.
26. Move front seats to rearward most position and remove console front fasteners.
27. Gently lift console up and over shifter (or PRNDL cover) and remove console assembly.




28. Remove I/P bracket.




29. Remove center trim plate by grabbing trim plate at A/C vent area and gently pulling to disengage attaching dips.
30. Tilt trim plate sideways and disconnect trim plate switch harnesses. Then remove trim plate.




31. Remove radio fasteners and partially remove radio to expose radio electrical connections.
32. Disconnect radio electrical connections and ground strap from radio. Then remove radio.




33. Remove control head-to-I/P screws.




34. Rotate front of control head upward and toward front of vehicle to gain access to bottom of control head.
35. Remove electrical connectors from control head.

Standard HVAC Vehicles Only:




36. Rotate temperature knob to full hot position.
37. Rotate control head downward and release temperature cable flag by pushing tab forward and pushing down on the cable at the same time.
38. Remove temperature cable eyelet from drive pin by squeezing drive pin together.




39. Disconnect wiring harness clip to I/P at center outlet.




40. Turn steering wheel to 3 o'clock position.
41. Remove inflator module by inserting a stubby flat blade screw driver into the triangle shaped hole in rear steering wheel shroud.
42. Turn screw driver to release spring fastener, while lifting up on corner of bag closest to that fastener.
43. Repeat for second fastener.
44. Turn steering wheel to 9 o'clock position.
45. Repeat steps until all spring fasteners are released.




46. Disconnect inflator module harness and horn lead.
47. Remove inflator module.




48. If equipped with cruise control, disconnect cruise control switch connection and disconnect harness from steering wheel.




49. Remove steering wheel attachment nut and discard.




50. Install Steering Wheel Puller KM-210 (or equivalent).
51. Remove steering wheel while feeding wiring through steering wheel opening.

NOTE:
^ Always align the front wheels to the straight-ahead position when installing or removing a roll connector.
^ If yellow tab is not available, use tape to prevent SIR coil from rotating.

52. Insert yellow tab or use a piece of tape to prevent rotating the SIR Coil.




53. Remove upper and lower steering column cover attachments.




54. Remove ignition switch bezel and remove covers.




55. Remove wiper/washer switch and headlamp/turn switch.

IMPORTANT: Cover top of steering column.

56. Position steering column to its lowest position.




57. Remove left side I/P lower dash insulator retainers and let dash insulator hang loose.




58. Remove I/P filler by pulling at attaching clip locations.




59. Remove two upper and two lower I/P trim plate fasteners and remove trim plate.




60. Remove upper and lower cluster fasteners and pull rearward to remove cluster.




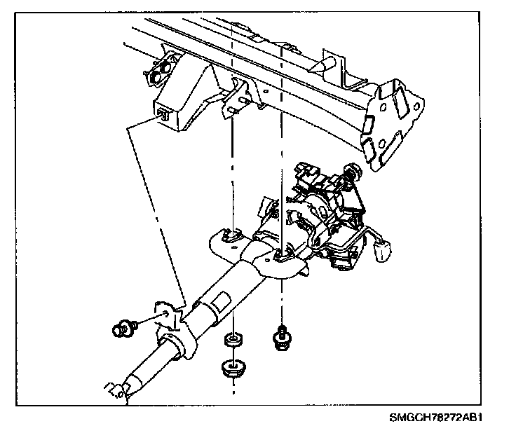
61. Disconnect cluster wiring harness from I/P.




62. Remove L/S HVAC vent housing and disconnect electrical connections.




63. Remove left side lower air outlet duct.




64. Open glove compartment door.
65. Remove glove compartment lamp assembly by pulling on lamp plunger.
66. Disconnect glove compartment lamp wiring harness from glove compartment lamp.




67. Remove R/S I/P lower dash insulator retainers.
68. Pull insulator rearward to detach from forward insulator retainers.




69. Remove right side heater outlet assembly retainer and remove outlet.




70. Remove glove compartment door.




71. Remove glove compartment bin fasteners.




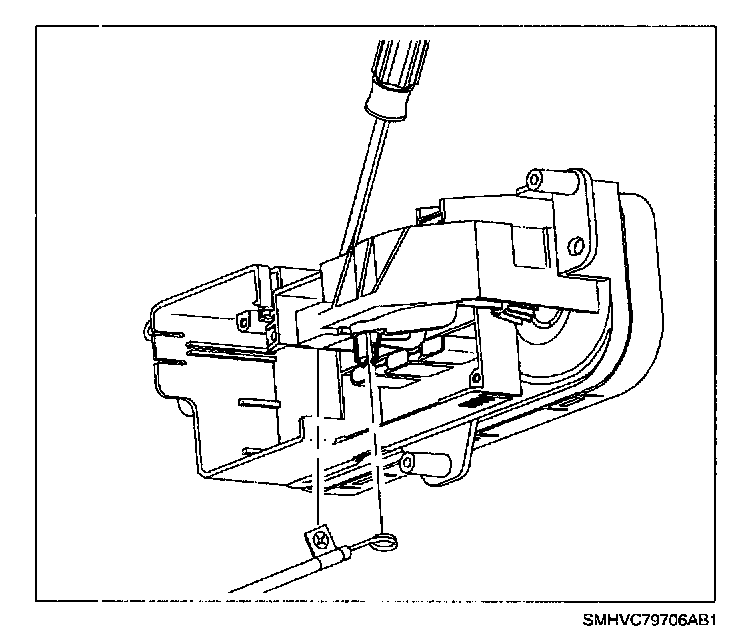
72. Slowly remove glove compartment bin tilting bin downward to expose the BCM module residing on top of the glove compartment bin.
73. Remove BCM module from glove compartment by sliding module out of attaching slots.
74. Remove glove compartment bin.
75. Let body controller hang on body harness.




76. Pull upward at vent locations and remove windshield defroster grille.




77. Unsnap hood release handle from I/P by using a small screwdriver to disengage retainer clips on both sides.




78. Remove diagnostic connection by pulling downward at connector location.




79. Remove I/P harness clips to I/P at lower steering column location.




80. Remove I/P harness clip to I/P behind the glove compartment opening location.




81. Remove fastener at left side I/P to beam location.
82. Remove two fasteners behind cluster location.

Advanced Audio System Vehicles Only:




83. Remove fasteners that attach amplifier to I/P beam.
84. Slide amplifier off of clutch pedal bracket.
85. Disconnect amplifier wire harness connectors from amplifier.
86. Remove amplifier from vehicle.




87. Disconnect I/P harness electrical connector from module harness.




88. Remove upper intermediate shaft bolt and disconnect shaft from steering column.




89. Remove steering column lower support bolt.

IMPORTANT: Behind the nut is a plastic locator for steering column. This piece will center steering column in front of driver in the event of an accident.

90. Remove steering column upper support bolt and nut.
91. Remove steering column from vehicle.




92. Open drivers side door completely and install protective covering on door inner hinge area to prevent damage to paint.




93. Using a flat blade screwdriver, remove the black plastic beam bolt covers.

NOTE: Use a T30 Torx(R) socket to prevent stripping bolt.




94. Using a T30 Torx(R) socket, remove both outer beam bolts. Use caution not to damage door paint.




95. Install Cockpit Assembly Aid J 43894 into A-pillar beam bolt holes. Tool flange should fit tight to A-pillar surface when completely installed. This tool is needed to prevent accidentally dropping a bolt inside A-pillar.

NOTE: Use a T40 Torx(R) socket to prevent stripping bolt.




96. Using a T40 Torx(R) socket, remove both inner beam bolts.
97. Repeat beam bolt removal procedure on passenger 5 side.
98. Remove cockpit assembly aid (J 43894).




99. Remove I/P beam to steering column brace nuts.
100. Using a large screwdriver, pry steering column braces apart to clear beam studs and remove beam from vehicle.




101. With engine hood open remove wiper arm assemblies.




102. Remove cowl retaining nuts and remove cowl screen assembly.




103. Rotate locking tabs outward to release filter assembly.
104. Remove filter by lifting straight up.




105. Remove wiper module retaining bolts and slide wiper module to right.




106. Remove filter housing attachment bolts and remove filter housing.




107. Remove evaporator condensate drain tube screw and remove drain tube.




108. Remove HVAC module-to-front of dash bolts.
109. Remove HVAC module from vehicle.