Curiosii for ever!: Car repair manuals for everyone.

HVAC Module Installation




1. Install module into vehicle.
2. Install HVAC module to front of dash and hand start bolts.

NOTE: A new filter housing seal must be used whenever the filter housing is removed to prevent water from leaking into module.




3. Remove filter housing seal using a small flat blade screwdriver.
4. Install new filter housing seal.




5. Install filter housing and screws.

Torque:
Filter Housing-to-HVAC Module Fasteners: 3.5 N.m (31 in-lbs)




6. Reposition wiper module and install bolts.

Torque:
Wiper Module Bolts: 5 N.m (44 in-lbs)




7. Tighten HVAC module to front of dash bolts.

Torque:
HVAC Module-to-Front of Dash Bolts: 4.5 N.m (40 in-lbs)

8. Install condensate drain tube and bolt.

Torque:
Condensate Drain Tube Bolt: 3.5 N.m (31 in-lbs)




9. Install cabin air filter paying specific attention to air flow direction indicator.
10. Rotate locking tabs to secure air filter in place.




11. Install cowl screen and fasteners.

Torque:
Front of Dash Screen-to-Front of Dash Fasteners: 1 N.m (9 in-lbs)

12. Close filter access door.




13. Install wiper arm assemblies.

Torque:
Wiper Arm Assembly Nuts: 12 N.m (9 ft-lbs)




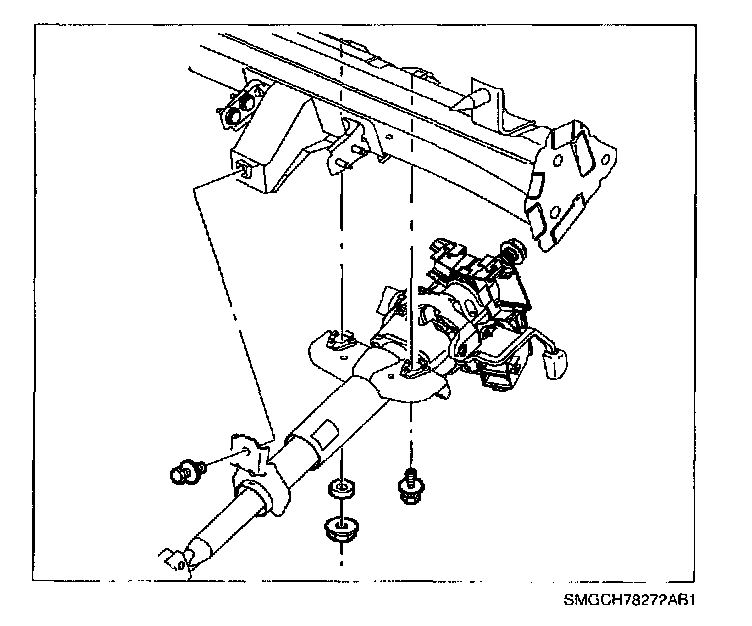
14. Install beam to steering column braces. Using a large screwdriver, pry steering column braces apart to clear beam studs and slide beam forward to locate studs into holes.

NOTE:
^ Open drivers side door completely and install protective covering on door inner hinge area to prevent damage to paint.
^ On Wagons, the rear washer supply hose is routed through drivers side A-pillar. Use care not to pinch or damage hose.




15. Install cockpit assembly aid J 43894 into A-pillar beam bolt holes. Tool flange should fit tight to A-pillar surface when completely installed. This tool is needed to prevent accidentally dropping a bolt inside A-pillar.




16. Install upper and lower inner beam bolts.

Torque:
I/P Beam Inner Studs: 20 N.m (15 ft-lbs)

17. Remove cockpit assembly aid (J 43894).




18. Install upper and lower outer beam bolts.

Torque:
I/P Beam Outer Bolts: 7 N.m (62 in-lbs)




19. Install black plastic bolt caps.
20. Repeat beam bolt installation procedure on passenger's side.




21. Install I/P beam to steering column brace nuts.

Torque:
I/P Beam-to-Steering Column Brace Nuts: 20 N.m (15 ft-lbs)




22. Install I/P harness rosebud connectors to I/P beam.




23. Connect HVAC module electrical harness to I/P harness.
24. Route temperature door cable around outside of right H-brace.

Advanced Audio System Vehicles Only:




25. Connect amplifier wire harness connectors to amplifier.
26. Slide amplifier onto clutch pedal bracket.
27. Position amplifier to I/P beam. Install fasteners.

Torque:
Audio System Amplifier-to-UP Beam Fasteners: 10 N.m (89 in-lbs)

IMPORTANT: The plastic steering column locator should be installed behind upper steering column mount nut. This locator centers steering column to driver in the event of an accident.




28. Install upper and lower steering column mount bolts and upper steering column mount nut along with locator.

Torque:
Steering Column Attachment Fasteners: 30 N.m (20 ft-lbs)

IMPORTANT: Use Loctite 242(R) Threadlocker (or equivalent) on threads of pinch bolt.




29. Connect intermediate shaft and install pinch bolt.

Torque:
Steering Column Intermediate Shaft Pinch Bolt: 30 N.m (20 ft-lbs)




30. Position I/P to vehicle.
31. Loosely install three upper I/P fasteners at W/S defroster location.
32. Loosely install I/P fasteners at duster.
33. Loosely install I/P fasteners at glove compartment.
34. Loosely install I/P fasteners at left side to beam.
35. Loosely install I/P fasteners at end brackets.
36. Torque all fasteners.

Torque:
I/P Attachment Fasteners: 20 N.m (26 ft-lbs)




37. Secure I/P harness to I/P at locations where clips were removed.




38. Attach electrical harness to I/P at center outlet location.




39. Install cluster harness to I/P ensuring that harness is secured into I/P retainer.




40. Install cluster into I/P housing ensuring that the cluster harness is connected. Install and tighten fasteners.

Torque:
Instrument Cluster-to-I/P Housing Fasteners: 2.3 N.m (22 in-lbs)




41. Install cluster trim plate and fasteners.

Torque:
Cluster Trim Plate-to-I/P Cluster Fasteners: 2.2 N.m (22 in-lbs)




42. Position I/P filler to instrument panel and push at attaching clip locations to secure bolster to I/P.
43. Reposition steering wheel.




44. Connect left side A/C outlet switch harness and install A/C outlet with fastener.

Torque:
A/C Outlet-to-I/P Fasteners: 2.5 N.m (22 in-lbs)




45. Snap hood release handle bracket into I/P.




46. Install diagnostic connection by snapping into bracket.




47. Install left side HVAC lower outlet with retainer.

Standard HVAC Vehicles Only:




48. Rotate HVAC control temperature knob to full hot position.
49. Install cable eyelet onto control head pin and install cable housing flag into slot in control head until it engages locking tab.




50. Install electrical connectors to control head




51. Install control head to I/P screws.

Torque:
Control Head-to-I/P Screws: 2.5 N.m (22 in-lbs)

Standard HVAC Vehicles Only:




52. Place temperature control knob in full cold position.
53. Rotate temperature door lever fully forward and press cable housing into retaining clip.
54. Cycle control head temperature lever from full cold to full hot to verify proper operation.




55. Connect radio ground strap spade terminal, electrical connector(s), and antenna to rear of radio.
56. Install radio by sliding it into the guides on the instrument panel.
57. Install and tighten screws.

Torque:
Radio-to-I/P Fasteners: 2.5 N.m (22 in-lbs)




58. Connect center trim plate switch harnesses to switches and snap center trim plate into I/P.




59. Snap W/S defroster grille into I/P




60. Install glove compartment bin partially into opening.
61. Secure BCM module to glove compartment bin slots.




62. Route glove compartment lamp wiring harness through lamp opening and connect glove compartment lamp wiring harness to glove compartment lamp.
63. Snap lamp into glove compartment bin.




64. Install glove compartment bin to I/P with fasteners.

Torque:
Glove Compartment Bin-to-I/P Fasteners: 2.5 N.m (22 in-lbs)




65. Install heater outlet with retainer to glove compartment bin.




66. Install lower dash insulator with retainers.




67. Install glove compartment door with fasteners.
68. Function glove compartment lamp and glove compartment door to ensure proper operation.

Torque:
Glove Compartment Door Fasteners: 2 N.m (18 in-lbs)




69. Install I/P bracket.

Torque:
I/P Bracket-to-Floor Panel Nuts: 20 N.m (15 ft-lbs)




70. Position console into vehicle. Route shifter/PRNDL boot through console opening.
71. Install console front fasteners.

Torque:
Console Fasteners: 2.5 N.m (22 in-lbs)

72. Move front seats forward and install console rear fasteners.

Torque:
Console Fasteners: 2.5 N.m (22 in-lbs)

Automatic Transaxle Vehicles Only:




73. Snap PRNDL cover into console opening.

5-Speed Transaxle Vehicles Only:




74. Snap shifter boot into console opening.
75. Connect console wiring harness to main body harness.




76. Snap console front tray into console.

Power Window Vehicles Only:




77. Connect power window harness to power window switch and snap switch into place.




78. Snap park brake boot into place.




79. Install console extensions.




80. Install steering column trim cover and attachment fasteners.

Torque:
Steering Column Trim Cover fasteners: 4 N.m (35 in-lbs)




81. Install ignition switch bezel by pushing in.




82. Remove yellow tab or tape from SIR coil assembly.
83. Route wiring through steering wheel and install steering wheel onto steering shaft noting orientation notch that locates steering wheel in correct position.

IMPORTANT: A new steering wheel attachment nut must be used.

84. Install new steering wheel attachment nut.

Torque:
Steering Wheel Attachment Nut: 40 N.m (30 ft-lbs)




85. If equipped with cruise control, connect cruise control switch connectors and attach harness to steering wheel.




86. Connect inflator module wiring harness and install harness integral connector lock device.
87. Install inflator module into steering wheel. Be sure to seat all four attachment points.
88. Enable the SIR system. (Refer to "Enabling the SIR System" procedure.)




89. Install heater inlet hose (closest to driver's side).
89.1 Hold hose by black quick connect collar and slide onto heater core pipe until quick connect collar engages over bead on heater core pipe.
89.2 Ensure that a green band is visible in quick connect collar.
89.3 Pull on hose to make sure it is properly seated.




90. Install heater outlet hose (closest to passenger side).
90.1 Hold hose by white quick connect collar and slide onto heater core pipe until quick connect collar engages over bead on heater core pipe.
90.2 Ensure that a green band is visible in quick connect collar.
90.3 Pull on hose to make sure it is properly seated.




91. Remove protective cap from TXV.
92. Thoroughly clean the O-ring surfaces of the TXV.
93. Remove cap and install new O-rings to suction/liquid line assembly block.
94. Lubricate the O-rings with clean mineral oil.
95. Install suction/liquid line assembly block to TXV.

IMPORTANT: On earlier vehicles a bolt was used instead of a stud/nut.

96. Install suction/liquid line assembly to TXV nut.

Torque:
Suction/Liquid Line Assembly-to-TXV Bolt: 7 N.m (62 in-lbs)




97. Rinse off any coolant that was spilled in engine compartment.
98. Connect negative battery cable.

Torque:
Battery Terminal Bolts: 17 N.m (13 ft-lbs)

99. Fill cooling system - see "Coolant Replacement" in Cooling System.
100. Evacuate, charge, and leak check the A/C system.