Curiosii for ever!: Car repair manuals for everyone.

Electronic Brake Control Module: Service and Repair

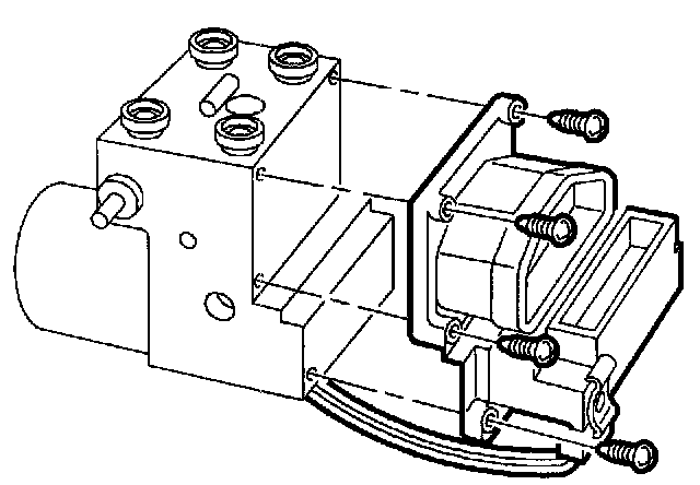
ABS CONTROL ASSEMBLY (EBTCM AND BPM)

REMOVAL
1. Disconnect negative battery cable.

NOTICE: Plug open brake pipes to prevent brake fluid loss and contamination.





2. Disconnect brake pipe nuts from Brake Pressure Modulator Valve (BPMV).

NOTICE: After removing brake pipe nuts, do not excessively pull or bend brake pipes away from brake control assembly.

NOTICE: Plug open brake pipes to prevent brake fluid loss and contamination.





3. Disconnect brake pipe nuts from master cylinder.





4. Slide out locking tab and disconnect Electronic Brake And Traction Control Module (EBTCM) electrical connector.





5. Remove ABS control module mounting nuts and bracket.

NOTICE: Be careful not to bend brake pipes.

6. Remove ABS control module from vehicle.

DISASSEMBLY

IMPORTANT: Do not attempt to repair damaged solenoid pack or control unit assemblies. Repair of these assemblies is not possible. Do not lubricate or oil the EBTCM.

1. Disconnect pump motor electrical connector.
2. Remove EBTCM to BPMV screws.





3. Separate EBTCM from BPMV.

ASSEMBLY
1. Position EBTCM on BPMV.
2. Install attaching screws.
3. Connect pump motor electrical connector.

INSTALLATION





1. Position ABS control assembly into bracket and tighten nuts.
Torque:
ABS Control Assembly-to-Bracket Nuts: 20 Nm (15 ft. lbs.)





2. Position brake pipes into master cylinder and tighten brake pipe nuts.
Torque:
Brake Pipes-to-Master Cylinder: 18 Nm (13 ft. lbs.)





3. Position brake pipes into ABS control assembly and tighten brake pipe nuts.
Torque:
Brake Pipes-to-Master Cylinder: 18 Nm (13 ft. lbs.)

IMPORTANT: Ensure that all electrical connections are fully seated and latches are engaged.

IMPORTANT: If EBTCM was replaced, make sure to program the correct engine and transaxle options in the EBTCM. (Refer to option bit configuration with Scan tools.)





4. Install electrical connector to ABS control assembly.
5. Install negative battery cable.
6. Fill brake fluid reservoir with clean brake fluid up to "MAX" mark on reservoir.

IMPORTANT: It is not required or recommended to bleed the ABS controller. Automated bleeding of the ABS controller may induce air into the system. Perform "Base Brake Bleeding" or "Pressure Bleeding" procedure only.

7. Bleed brakes.