Curiosii for ever!: Car repair manuals for everyone.

Starter Motor: Service and Repair

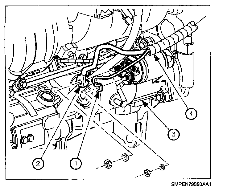
STARTER ASSEMBLY

REMOVAL




(1) Starter S-Terminal Connection
(2) Starter Positive Battery Cable Connection
(3) Starter Motor
(4) Starter Solenoid

1. Disconnect negative battery cable.
2. Disconnect two starter solenoid electrical connections.
3. Remove lower starter assembly to engine block bolt.
4. Remove upper starter assembly to engine block bolt.
5. Move starter right, clearing engine block. Then left and out of engine block (flywheel housing).

INSTALLATION




(1) Starter S-Terminal Connection
(2) Starter Positive Battery Cable Connection
(3) Starter Motor
(4) Starter Solenoid

1. Guide starter into engine block (flywheel housing).
2. Install starter mounting bolts.

Torque:
Starter-to-Engine Bolts: 40 N.m (30 ft-lbs)

3. Connect battery positive cable to starter and install nut.

Torque:
Positive Battery Cable-to-Starter Nut: 9 N.m (80 in-lbs)

4. Connect S-terminal wire to starter and install nut.

Torque:
S-Terminal Wire-to-Starter Nut: 4.5 N.m (40 in-lbs)

5. Connect negative battery cable.

Torque:
Battery Terminal Bolts: 17 N.m (13 ft-lbs)