Curiosii for ever!: Car repair manuals for everyone.

Removal and Replacement

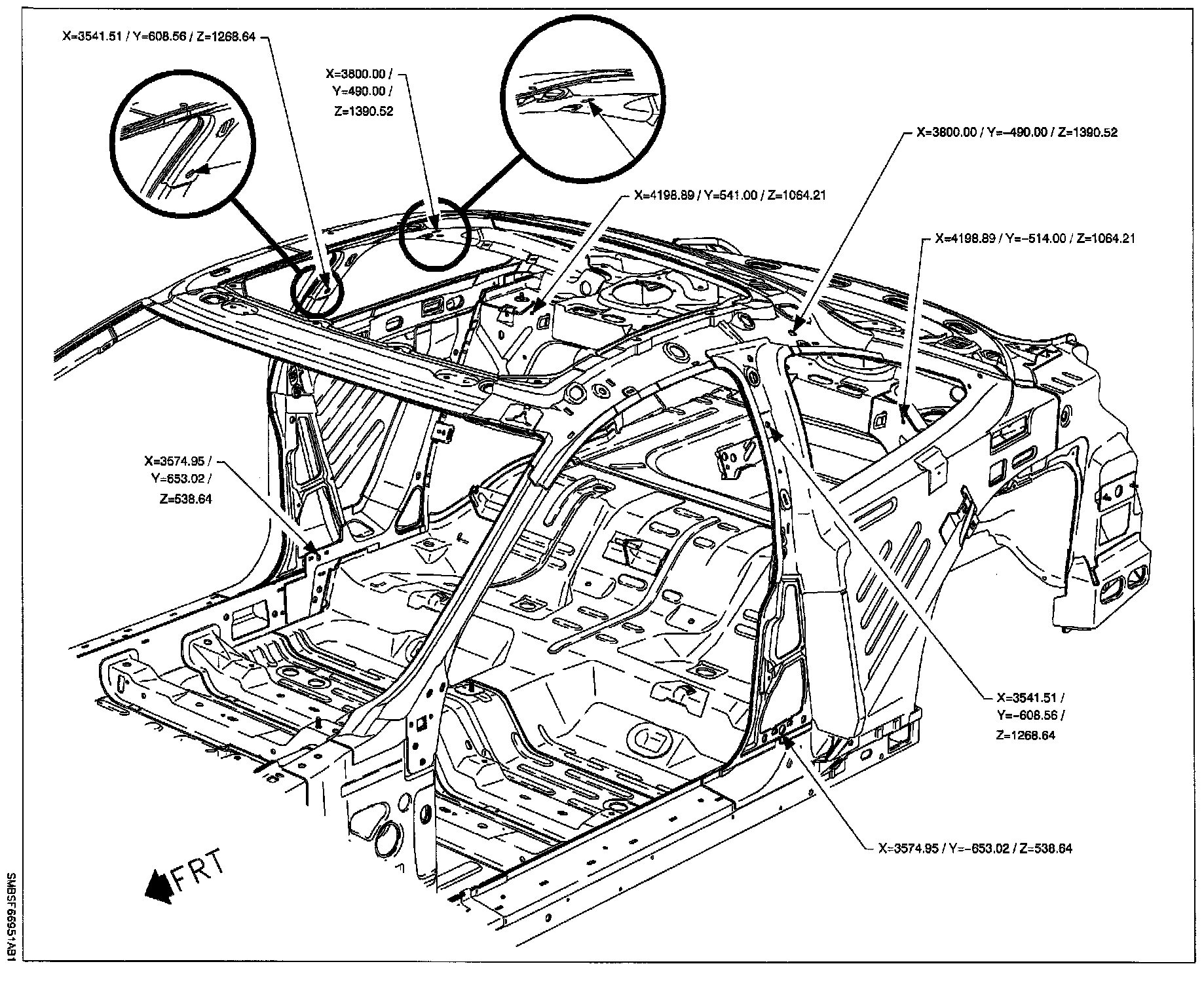
SDM BRACKET

CAUTION: IT IS IMPERATIVE THAT THIS BRACKET BE PROPERLY LOCATED TO THE LISTED DIMENSIONS. THIS IS USED TO LOCATE THE SENSING DIAGNOSTIC MODULE (SDM). FAILURE TO PROPERLY LOCATE THE SDM BRACKET COULD RESULT IN INJURY IF THE VEHICLE IS INVOLVED IN ANOTHER CRASH AND AIR BAG DEPLOYMENT.








































1. Note amount and location of spot welds.
2. Remove sealer and drill spot welds from floor pan.
3. Clean surface for welding and grind primer off new part at connecting points. Apply 3M(R) Weld-Thru Coating P/N 05913 (or equivalent) to all areas to be welded.
4. Carefully measure and align clamp in place.
5. Use MIG to plug weld.

NOTE: Clean all weld seams with a wire brush, prime and seal all repair areas. Apply permanent underbody sealant. It is important that proper corrosion protection processes are used on all repair areas. Prime with two-part catalyzed primer. Apply sealers and corrosion protection materials according to information in the paint manufacturer's recommendations.