Curiosii for ever!: Car repair manuals for everyone.

Transaxle Removal

TOOLS REQUIRED

^ J43405 Engine Support Fixture Adapter

^ J43628 Frame Alignment Tool

^ J44014 Torque Converter Bolt Socket

^ SA9105E Engine Support Bar Assembly

^ J35944-440 Cooler Flusher Adapter

^ SA9165T Oil Line Cooler Flusher

CAUTION:
MAKE SURE VEHICLE IS PROPERLY SUPPORTED AND SQUARELY POSITIONED ON THE HOIST. TO HELP AVOID PERSONAL INJURY WHEN A VEHICLE IS ON A HOIST, PROVIDE ADDITIONAL SUPPORT FOR THE VEHICLE ON THE OPPOSITE END FROM WHICH COMPONENTS ARE BEING REMOVED.

1. Position vehicle on hoist.

2. Remove battery.





2.1 Disconnect battery cables. (negative first, positive second).

2.2 Move fan control module. Leave wiring connected, lift module up and away from bracket, and position out of the way.

2.3 Remove battery hold-down bracket.

2.4 Remove battery.





3. Disconnect battery feed to underhood fuse block.

4. Disconnect coolant hose from underhood fuse block cover.

5. Release retaining tabs on underhood fuse block cover and remove.

6. Release retaining tabs (2) on underhood fuse block and roll fuse block back (1) to access electrical connectors.





7. Remove following connectors from under hood fuse block:

(1) Engine 68 way

(2) Forward Lamp 68 way

(3) I/P 68 way

(4) Forward Lamp 2 way (White)

(5) I/P 2 way (Black)

(6) I/P 2 way (Green)

(7) I/P 2 way (Brown)

8. Lift fuse block off case.

IMPORTANT:
There are two tabs that hold the hard shell grommets in place at the bottom of the grommet. Disengage tabs to remove grommet from case.





9. Remove harnesses from underhood fuse block case by releasing retaining tabs on the bottom of the hard shell grommets.

A. Engine

B. Forward Lamp

C. Instrument Panel (I/P)

10. Remove underhood fuse block case fastener, and remove case from battery tray.





11. Remove battery tray fasteners and battery tray.

IMPORTANT:
Note the original position of the A.I.R. components.





12. Remove clamp from A.I.R. hose behind the cooling fan.

13. Separate the A.I.R. tube from the hose and push the tube back towards the transaxle.





14. Remove the hose clip holding the two power steering lines together.





15. Disconnect control cable from transaxle range switch lever with a screwdriver.

16. Remove control cable bracket from rear powertrain mount. Tie cable and bracket to dash panel.





17. Remove transaxle electrical connector and ground wire from transaxle.

18. Remove remaining wiring harness attachments from transaxle.





19. Remove transaxle range switch electrical connectors.

20. Remove upper engine-to-transaxle mounting bolts.





21. Disconnect output speed sensor electrical connector. Remove harness from mounting stud.





22. Install Engine Support Bar Assembly SA9105E with Engine Support Fixture Adapter J43405 as shown.





23. Remove rear transaxle mount through bolt, and transaxle mount to frame bolt.





24. Fasten radiator to upper radiator support.

25. Raise vehicle.

26. Remove front wheel and tire assemblies.





27. Remove right front lower splash shield.

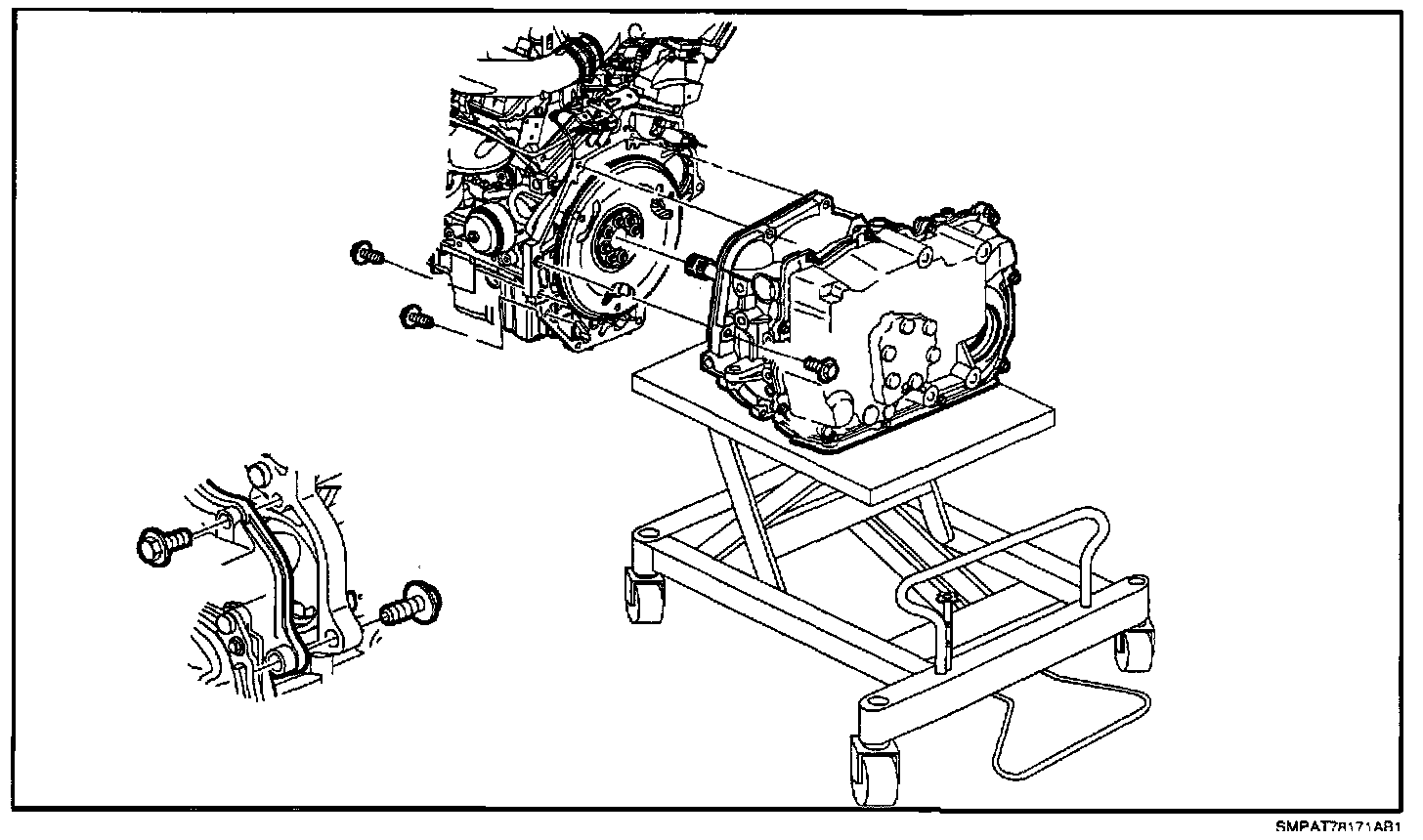
28. Remove left front wheel liner push pin from frame.





29. Disconnect rear 02 sensor connection, and remove harness from frame at attachment points.





30. Remove front transaxle mount through bolt.





31. Remove remaining rear transaxle mount-to-frame bolts.





32. Remove the A/C line-to-frame attachment clip at front of vehicle.





33. Remove steering gear-to-frame assembly bolts.

34. Remove steering gear heat shield.

35. Using mechanics wire, secure the steering gear assembly to body of vehicle.





36. Remove stabilizer bar links from strut assembly.





37. Remove lower ball stud bolt and separate ball stud from steering knuckle assembly.





38. Remove suspension support assemblies.

39. Remove suspension support cage nuts from body. Discard cage nuts and support bolts, as new nuts and bolts must be used for assembly.





40. Using powertrain lifting table and the Frame Alignment Tool J43628, support frame assembly.





41. Remove remaining frame-to-body attachment fasteners.

42. Carefully lower frame assembly from vehicle.

43. Remove frame assembly cage nuts from body. Discard cage nuts and frame bolts as new nuts and bolts must be used for assembly.

NOTICE:
To prevent damage to CV joint boots, be careful not to allow them to contact other parts during the removal process. Also, never pull on the shaft assembly.

NOTICE:
When removing the right hand axle shaft, the transaxle stub shaft may come out of the transaxle with the axle shaft. When this occurs, inspect the axle shaft seal in the transaxle for damage and replace if necessary.





44. Use a pry bar to remove axle shafts from transaxle. Leave axle shafts in steering knuckles and secure axle shafts up and out of way of transaxle removal path.





45. Remove engine-to-transaxle bracket.





46. Remove starter solenoid electrical connections.





47. Remove starter motor.





IMPORTANT:
The 4 cylinder flexplate has only 3 bolts and all are used to connect the flexplate to the torque converter.

48. Use Torque Converter Bolt Socket J44014 to remove flex plate to torque converter bolts through starter opening in engine block.





49. Remove transaxle oil cooler line assembly from transaxle.

50. Remove lower two engine-to-transaxle mounting bolts.

51. Lower vehicle.





52. Mark position of and remove left transaxle mount bolts.

53. Raise vehicle.

54. Slide hydraulic lift table under transaxle.

55. Lower vehicle slowly until transaxle is on hydraulic lift table. Place a wood block between barrel of transaxle and surface of table.

56. Remove remaining engine-to-transaxle mounting bolts. There are a total of seven bolts retaining the transaxle to the engine.





57. Slide transaxle away from engine assembly and raise vehicle away from transaxle. (L81 shown, L61 similar.)

58. Inspect torque converter for date code and time stamp. Refer to "Torque Converter Inspection (Off-Vehicle)" procedure as shown.