Curiosii for ever!: Car repair manuals for everyone.

Alternator: Service and Repair

TOOLS REQUIRED
^ SA9401C Generator Output Stud Wrench

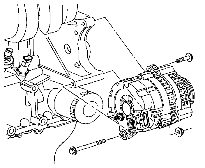
REMOVAL

CAUTION: MAKE SURE THE VEHICLE IS PROPERLY SUPPORTED AND SQUARELY POSITIONED PRIOR TO LIFTING. TO AVOID PERSONAL INJURY WHEN A VEHICLE IS ON A HOIST, PROVIDE ADDITIONAL SUPPORT FOR THE VEHICLE ON THE OPPOSITE END FROM WHICH COMPONENTS ARE REMOVED. MAKE SURE HOIST DOES NOT PINCH FUEL OR BRAKE LINES.




1. Disconnect battery negative cable.
2. Remove accessory belt.
3. Raise vehicle on hoist.
4. Remove right wheel.
5. Remove right wheel well splash shield.
6. Disconnect the field wires.

NOTE: Failure to hold stud when loosening lock nut may crack plastic insulator and cause generator to fail.




7. Disconnect the fusible link wire using generator output stud wrench (SA9401C) to hold generator output (B+) stud from rotating.




8. Remove the lower and upper generator attachment bolts.




9. Remove the generator through the wheel well opening behind the strut.

INSTALLATION

NOTE: The generator shield must be installed to prevent premature generator failures due to foreign debris intrusion.




1. Position generator on lower cylinder block bracket and install the lower attachment bolt. Install upper attachment bolt and torque both bolts.

Generator Attachment Bolts:

Torque: 32 N.m (24 ft-lbs)

NOTE: Failure to hold stud when tightening lock nut may crack plastic insulator and cause generator to fail.

2. Install the generator regulator connector and install the fusible link to the generator. When installing the fusible link, use the generator output stud wrench (SA9401C) to prevent the output (B+) stud from rotating.

IMPORTANT: The battery terminal fusible link wire (between the starter and generator) should be orientated on the generator between a 10 and 11 o'clock position.

Generator Positive Terminal:

Torque: 10 N.m (89 in-lbs)




3. Install accessory drive belt.
4. Install wheel well splash shield.
5. Install right wheel.

Torque: 140 N.m (103 ft-lbs)

6. Connect battery negative cable.

Torque: 17 N.m (151 in-lbs)