Curiosii for ever!: Car repair manuals for everyone.

Installation

INSTALLATION




1. Install new cowl panel seals on heater core pipes, case drain, and evaporator block.




2. Install HVAC module through the cowl. Install screws and nuts.

Torque: 5 N.m (44 in-lbs)

3. Install fuel vapor line and clip to stud below TXV




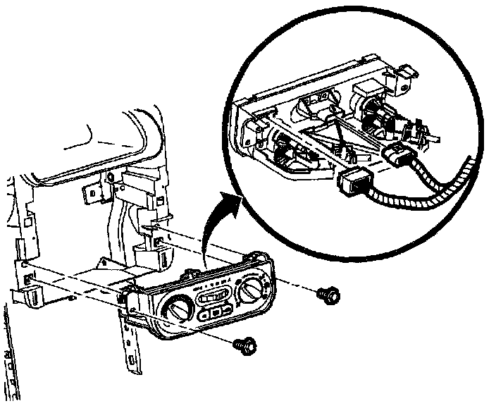
4. Connect blower motor and recirc motor electrical connectors.
5. Install wire harness hold down clips on HVAC module.




6. Connect blower motor resistor electrical connector.
7. Install wire harness hold down clips on HVAC module.




8. Rotate windshield defroster nozzle onto mode valve assembly and install screws. Make sure duct is snapped on both sides of HVAC module.

Torque: 2.2 N.m (20 in-lbs)

IMPORTANT: Make sure that plastic right mounting tab is between knee beam and mounting bracket.




9. Install center air outlet duct and screws.

Torque: 10 N.m (89 in-lbs)




10. For SL and SW only, install rear floor heater duct and place on mounting stud.

NOTE: Be careful not to damage foam seal.

11. Install lower heater duct.




12. Install I/P retainer assembly.
13. Install I/P retainer assembly to dash panel assembly bolts and nuts, do not torque bolts and nuts.




14. Install junction block to H-brace.
15. Install ground wires with screw to H-brace.

Torque: 2.2 N.m (20 in-lbs)

16. Install radio ground strap and screw through H-brace to junction block.

Torque: 2.2 N.m (20 in-lbs)

17. Return I/P harness plastic retainer to H-brace.




18. Install H-brace bolts to front floor bracket.

Torque: 25 N.m (19 ft-lbs)

19. Route passenger side inflator module harness through retainer assembly and EA Foam. Close harness retainer assembly clip.




20. Position inflator module in opening in I/P retainer assembly.
21. Install inflator module ensuring the retaining tabs are engaged to the I/P reinforcement assembly.
22. Install two inflator module bolts and torque.

Torque: 10 N.m (89 in-lbs)




23. Torque I/P retainer assembly bolts and nuts.

Torque: 10 N.m (89 in-lbs)




24. Connect antenna cable and secure to lower right side of instrument panel retainer assembly.




25. Install inflator module cover.

Torque: 2.2 N.m (20 in-lbs)




26. Install I/P compartment:
a. Position I/P compartment door assembly to retainer assembly.
b. Install I/P compartment door pins into instrument panel retainer assembly.
c. Lift I/P compartment enough to install I/P compartment door stop assemblies.
d. Close I/P compartment door.




27. Raise steering column into position.
28. Install and torque bolts.

Torque: 35 N.m (26 ft-lbs)

IMPORTANT: Make sure wiring harnesses do not interfere with control lever movement.

Cable identification:
^ Temperature cable - white
^ Mode cable - black




29. Install HVAC controller:
a. Install mode valve cable onto mode valve pin.
b. Snap slot on cable into HVAC controller base.
c. Repeat steps for temperature cable.




d. Install blower switch connector.
e. Install HVAC controller harness.
f. Install and torque screws.

Torque: 2.5 N.m (22 in-lbs)




30. Install radio:
a. Connect radio ground strap spade terminal.
b. Connect electrical connectors
c. Connect antenna lead.
d. Install radio by sliding it into guides on instrument panel.
e. Install and torque screws.

Torque: 2.5 N.m (22 in-lbs)




31. Install I/P cluster:
a. Place tabs on bottom of I/P cluster into retainer assembly.
b. Install screws.
c. Connect electrical connector to instrument panel cluster.

Torque: 3 N.m (27 in-lbs)




32. Install I/P cluster bezel:
a. Pull dimmer/traction control switch harness through I/P cluster bezel opening.
b. Position I/P cluster bezel by lining up clip location.
c. Snap I/P cluster bezel in place by pushing at clip locations.




33. Position upper steering column shroud.
34. Position lower steering column shroud and install screws.




35. Install ignition bezel:
a. Align peg of ignition bezel with the cut out in lower shroud.
b. Snap into place.




36. Connect traction control and dimmer switch wiring harness (if equipped).
37. Install traction control/dimmer switch.




38. Connect left and right doorjamb switch connectors.

IMPORTANT: Ensure that endcap bottom portions are inside of the filler panel and glovebox assemblies.

39. Install left and right endcap assembly:
a. Maneuver the assemblies past inner I/P retainer assembly and weatherstrips.
b. Snap clips into I/P retainer assembly locations.
c. Install screws

Torque: 2.2 N.m (20 in-lbs)




40. Install data link connector.
41. Route hood release cable through I/P and then install cable to lever.




42. Install steering column filler panel.

Torque: 2.5 N.m (22 in-lbs)

NOTE: Be careful not to damage VIN plate when removing or replacing upper trim panel.

IMPORTANT: Be sure upper trim panel seal is correctly seated on forward edge before installing upper trim panel.




43. Install upper trim panel.
a. Ensure hook-and-loop fasteners on upper trim panel are correctly inserted.
b. Position upper trim panel on retainer assembly.
c. Align tabs on sides of upper trim panel with openings in windshield garnish molding.
d. Align clips and clip location.
e. Firmly snap in clips at clip locations.
f. Install screws on underside of upper trim panel on passenger's side of vehicle.

Torque: 6 N.m (53 in-lbs)




44. Install console:
a. Apply park brake.
b. Adjust front seats to most rearward position.
c. Recline driver's and passenger's seatbacks as far down as possible.
d. Select neutral for transaxle gear (on automatic transaxles).
e. Hold front end of console down and rear end up.
f. Position all harnesses so they can be accessed.
g. Maneuver console over gear selector lever and past brake lever.
h. Connect power outlet electrical connector.




i. On automatic transaxle equipped vehicles, remove tape from gear selector.
j. Install screws at rear of console.

Torque: 2.5 N.m (22 in-lbs)




k. Install and torque front console screws.

Torque: 2.2 N.m (20 in-lbs)




l. Install left and right extension panels by inserting hinges into console.
m. Rotate close and push in a dual lock locations.

Torque: 2.2 N.m (20 in-lbs)




45. Connect window switch assembly connector (if equipped).
46. Install window switch assembly or storage tray (depending on equipment).

CAUTION: MAKE SURE VEHICLE IS PROPERLY SUPPORTED AND SQUARELY POSITIONED. TO HELP AVOID PERSONAL INJURY WHEN A VEHICLE IS ON A HOIST PROVIDE ADDITIONAL SUPPORT FOR THE VEHICLE ON THE OPPOSITE END FROM WHICH COMPONENTS ARE BEING REMOVED.




47. Raise vehicle.

NOTE: Be careful not to push hoses onto heater core so far that foam seal is unseated.

48. Install hose and clamp on heater core outlet. Position clamp at a 7-8 o'clock.




49. Install hose and clamp on heater core inlet. Position clamp at a 6 o'clock.




50. Lower vehicle.

NOTE: Use only R-12 Refrigerant oil (mineral) to lubricate O-rings. Use of R-134a (PAG) oil will cause premature corrosion of fitting joints.

51. Remove protective covers. Lubricate with R-12 Refrigerant oil (mineral) and install new O-rings on evaporator pipes.
52. Install thermal expansion valve (TXV) on evaporator.

Torque: 19 N.m (89 ft-lbs)

NOTE: Use only R-12 Refrigerant oil (mineral) to lubricate O-rings. Use of R-134a (PAG) oil will cause premature corrosion of fitting joints.




53. Lubricate O-rings with R-12 Refrigerant oil (mineral) and install new O-rings on suction hose and liquid line.
54. Install liquid line on TXV

Torque: 25 N.m (19 ft-lbs)

55. Install suction hose on TXV

Torque: 25 N.m (19 ft-lbs)




56. Install air cleaner housing cover and air induction hose.
57. Fill and pressure test the cooling system.
58. Evacuate, charge, and leak test A/C system. Perform A/C Performance Test.
59. Connect negative battery cable.

Torque: 17 N.m (151 in-lbs)

60. Set clock to proper time if equipped.
61. Enable the SIR system. (Refer to "Enabling the SIR System".) Disabling and Enabling the SIR System
62. Reset radio stations.