Curiosii for ever!: Car repair manuals for everyone.

Blower Motor Switch: Service and Repair

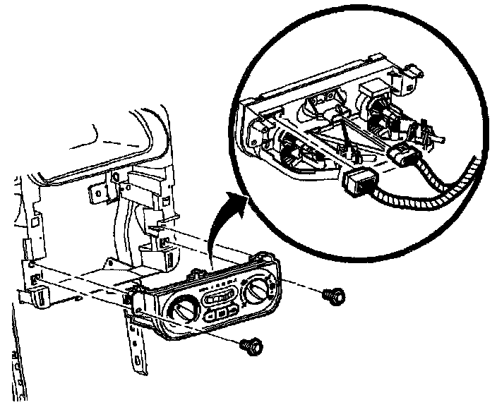
BLOWER MOTOR SWITCH

REMOVAL




1. Remove HVAC controller.




2. Remove blower motor switch screws.
3. Remove blower motor switch.

INSTALLATION

1. Install blower motor switch and screws.




2. Install HVAC controller.

Torque: 2.5 N.m (22 in-lbs)