Curiosii for ever!: Car repair manuals for everyone.

Case: Service and Repair

Tools Required
- SA105E Engine Support Bar Assembly
- J-43405 Engine Support Fixture Adapter
- J-41102 Axle Seal Protector

REMOVAL





CAUTION: MAKE SURE VEHICLE IS PROPERLY POSITIONED ON HOIST.

1. Position vehicle on hoist.
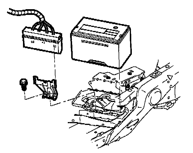
2. Remove battery.
a. Disconnect battery cables (negative first, positive second).
b. Move fan control module. Leave wiring connected, lift module up and away from bracket, and position out of the way.
c. Remove battery hold-down bracket.
d. Remove battery.





3. Disconnect battery feed to underhood fuse block.
4. Disconnect coolant hose from underhood fuse block.
5. Release retaining tabs on underhood fuse block cover and remove.
6. Release retaining tabs (2) on underhood fuse block and roll fuse block back (1) to access electrical connectors.





7. Remove following connectors from underhood fuse block:
(1) Engine 68-way
(2) Forward Lamp 68-way
(3) I/P 68-way
(4) Forward Lamp 2-way (white)
(5) I/P 2-way (black)
(6) I/P 2-way (green)
(7) I/P 2-way (brown)
8. Lift fuse block off case.

IMPORTANT: There are two tabs that hold the hard shell grommets in place at the bottom of the grommet.
Disengage tabs to remove grommet from case.

9. Remove harnesses from underhood fuse block case by releasing retaining tabs on the bottom of the hard shell grommets.
a. Engine
b. Forward Lamp
c. Instrument Panel (I/P)





10. Remove underhood fuse block case fastener, and remove case from battery tray.





11. Remove battery tray fasteners and battery tray.
12. Remove wire harness from transaxle case side cover.





13. Remove upper transaxle case side cover fasteners.





14. Install engine support fixture assembly SA105E with engine support fixture adapter J-43405 as shown. (L4 shown)





15. Install engine support fixture assembly SA105E with engine support fixture adapter J-43405 as shown. (V6 shown)





16. Mark position of and remove left transaxle mount bolts.





17. Remove left transaxle mount from engine compartment rail.
18. Remove frame assembly.





NOTICE: To prevent damage to the CV joint boots, be careful not to allow them to contact other parts during the removal/installation process. Also, never pull on the shaft assembly.

19. Remove left drive axle from transaxle using a pry bar. Remove axle retaining ring from output shaft of transaxle and discard. The axle can be left in the steering knuckle. Tie the axle up and out of the way.





20. Remove power steering lines from left transaxle mount bracket. Remove transaxle mount bracket fasteners and remove bracket.





NOTICE: Pry on side cover near locating dowel pins to prevent damage to sealing surfaces.

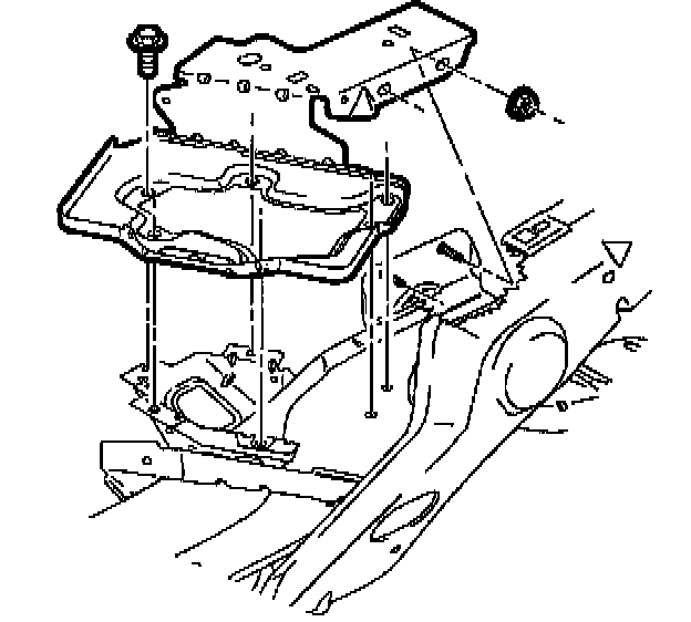
21. Remove remaining transaxle case side cover bolts and remove case side cover.





22. Remove two case side cover gaskets and side cover to driven support thrust washer, if they did not remain with the side cover assembly when it was removed.

INSTALLATION





1. Inspect case side cover for cracks or damage to seal grooves and mounting bosses.
2. Inspect side cover seals for damage. Side cover seals are reusable if not damaged.
3. Thoroughly clean side cover and side cover seals. Clean and dry seal grooves and axle seal bore.
4. Install case side cover gaskets into grooves on side cover. Retain seals with petroleum jelly.
5. Install side cover to driven sprocket thrust washer onto side cover. Retain with petroleum jelly.





NOTICE: Axle seal protector J41102 must be used on the output shaft of the transaxle to protect the axle seal from damage when installing the case side cover. If J41102 is not used, damage to seal may result.

6. Install axle seal protector J41102 on output shaft of transaxle, and install side cover assembly onto transaxle case.
7. Install and hand start lower side cover-to-transaxle case bolts and tighten.
Torque: 20 Nm (15 ft. lbs.)





8. Install left transaxle mount bracket to transaxle.
Torque: 90 Nm (66 ft. lbs.)
9. Install power steering lines to left transaxle mount bracket.
Torque: 10 Nm (89 inch lbs.)

NOTICE: In order to prevent damage to axle shaft splines during vehicle operation, add grease (P/N 7843867) to axle shaft splines prior to axle shaft installation.

10. Install a new axle retaining clip on output shaft of transaxle. Untie left axle shaft and install axle shaft into transaxle.
11. Install frame assembly.
12. Lower vehicle.





13. Install left transaxle mount to engine compartment rail.
Torque: 20 Nm (15 ft. lbs.)





NOTICE: If the powertrain mount is not reinstalled in its original position, it could lead to premature mount wear.

14. Reference alignment marks made during disassembly and install left transaxle mount bolts.
Torque: 55 Nm (41 ft. lbs.)
15. Remove engine support bar assembly.





16. Install upper transaxle side cover fasteners.
Torque: 20 Nm (15 ft. lbs.)
17. Install wire harness to transaxle case side cover.
Torque: 20 Nm (15 ft. lbs.)





18. Install battery tray and battery tray fasteners.
Torque: 15 Nm (11 ft. lbs.)





19. Install underhood fuse block case to battery tray and install bolt.
Torque: 9 Nm (80 inch lbs.)
20. Install wire harnesses to fuse block case. The wire harness grommets have retaining tabs that lock into the case (3) when the harnesses are fully installed.
21. Snap fuse block onto fuse block case hinges.





22. Install following connectors to underhood fuse block:
(1) Engine 68-way
(2) Forward Lamp 68-way
(3) I/P 68-way
(4) Forward Lamp 2-way (white)
(5) I/P 2-way (black)
(6) I/P 2-way (green)
(7) I/P 2-way (brown)





23. Secure underhood fuse block to fuse block case by rotating down and snapping into place.
24. Install underhood fuse block cover.
25. Secure coolant hose into place on fuse block cover.
26. Install battery feed cable to underhood fuse block.
Torque: 16 Nm (12 ft. lbs.)





27. Install battery.
a. Install battery into battery tray.
b. Install battery hold-down bracket.
Torque: 20 Nm (15 ft. lbs.)
c. Install fan control module by sliding down onto battery hold-down bracket.

CAUTION: POSITIVE BATTERY TERMINAL MUST BE CONNECTED FIRST TO PREVENT ARCHING.

d. Install battery cables (positive first, negative second).
Torque: 17 Nm (13 ft. lbs.)
28. Start engine, warm up transaxle and check for fluid leaks.
29. Check for proper fluid level.