Curiosii for ever!: Car repair manuals for everyone.

Radiator: Service and Repair


REMOVAL





1. Remove battery.
2. Drain coolant. (Refer to "Draining Coolant".)
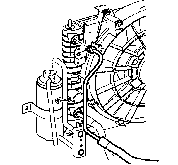
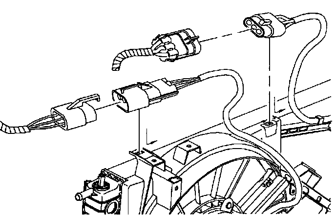
3. Disconnect both cooling fan electrical connectors.
4. Remove electrical connectors from connector retainer by sliding connector.





5. Remove pusher fan electrical harness from fan shroud retainer tabs.
6. Remove wiring harness from clamp on fan shroud.





7. Perform steps 7a, 7b, and 7c on automatic transaxle vehicles only.
a. Remove upper transaxle cooler line from radiator end tank.
b. Cap or tape off transaxle oil cooler line to prevent oil loss or contamination.
c. Remove upper transaxle oil cooler line from radiator end tank clip.





8. Remove upper radiator hose to radiator clamp and remove hose from radiator end tank.





9. Remove fan shroud to radiator bolts and shroud assembly.





10. Remove forward wiring harness from retaining clips.





11. Remove lower radiator hose to radiator clamp and remove hose.





12. Perform steps 12a and 12b on automatic transaxle vehicles only.
a. Remove lower transmission cooler line from radiator end tank.
b. Cap or tape line and end tank to prevent oil spillage or contamination.





13. Remove radiator upper mount bracket to rail bolts and remove upper bracket and rubber mounts.
14. Using a piece of wire or plastic tie, support condenser from upper rail.

CAUTION: MAKE SURE VEHICLE IS PROPERLY SUPPORTED AND SQUARELY POSITIONED. TO HELP AVOID PERSONAL INJURY WHEN A VEHICLE IS ON A HOIST, PROVIDE ADDITIONAL SUPPORT FOR THE VEHICLE ON THE OPPOSITE END FROM WHICH COMPONENTS ARE BEING REMOVED.

15. Raise vehicle.

NOTICE: Do not open up the A/C system.





16. Remove condenser block to radiator end tank bolt.





17. Remove condenser to radiator bolts.





18. Pull condenser and pusher fan assembly down slightly to disengage tabs from radiator.
19. Lower vehicle.
20. Leaving condenser and pusher fan in vehicle, remove radiator from vehicle.
21. Remove upper radiator to condenser gaskets.

INSTALLATION

1. Install upper radiator to condenser gasket on radiator.





2. Install radiator lower mounting pins into rubber mounts.





3. Position upper radiator mounts over upper pins and install radiator bracket to rail bolts.
^ Torque: 6 Nm (53 inch lbs.)

CAUTION: MAKE SURE VEHICLE IS PROPERLY SUPPORTED AND SQUARELY POSITIONED ON HOIST.

4. Raise vehicle.





5. Position condenser tabs under radiator tabs and install condenser to radiator bolts.
^ Torque: 4 Nm (35 inch lbs.)
6. Install lower radiator to condenser gasket if removed.





7. Install condenser block to radiator end tank bolt.
^ Torque: 4 Nm (35 inch lbs.)
8. Lower vehicle.

IMPORTANT: Perform step 9 on automatic transaxle vehicles only.





9. Remove cap and install lower transmission cooler line to radiator end tank.
^ Torque: 25 Nm (19 ft. lbs.)

IMPORTANT: White line on hose should be installed at 12 o'clock position.





10. Install lower radiator hose to radiator fitting.
11. Install clamp at 11 o'clock position.
12. Remove condenser support wire or plastic tie.





13. Install fan and shroud assembly onto radiator lower tabs.

NOTICE: Verify that the pusher fan electrical harness is not between the fan shroud and the radiator.

14. Install fan shroud to radiator bolts.
^ Torque: 4 Nm (35 inch lbs.)





15. Perform steps 15a and 15b on automatic transaxle vehicles only.
a. Remove cap and install upper transmission oil cooler line to radiator end tank.
b. Snap upper transmission oil cooler line into end tank retainer.
^ Torque: 25 Nm (19 ft. lbs.)





16. Install forward wiring harness into retaining clamps.
17. Route pusher fan electrical harness around outside of radiator end tank to upper fan shroud.





18. Install fan electrical connectors into connector retainers as shown.
19. Connect both fan electrical connectors.
20. Install wiring harness into shroud retaining clamp.
21. Install pusher fan harness into routing tabs on fan shroud.





22. Install upper radiator hose to radiator end tank and position clamp at 12 o'clock.
23. Install battery.