Curiosii for ever!
: Car repair manuals for everyone.
Home
>>
Saturn
>>
1999
>>
SL L4-1.9L SOHC VIN 8
>>
Repair and Diagnosis
>>
Powertrain Management
>>
Diagrams
>>
Electrical Diagrams
>>
Engine Controls
>>
Ignition Controls
>>
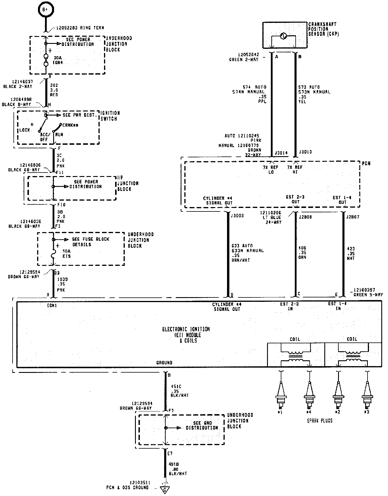
Electronic Ignition Controls
Electronic Ignition Controls
Fuel Injection: Ignition System: