Curiosii for ever!
: Car repair manuals for everyone.
Home
>>
Saturn
>>
1999
>>
SC2 L4-1.9L DOHC VIN 7
>>
Repair and Diagnosis
>>
Diagrams
>>
Exploded Views
>>
Automatic Transmission/Transaxle
>>
System Diagram
>>
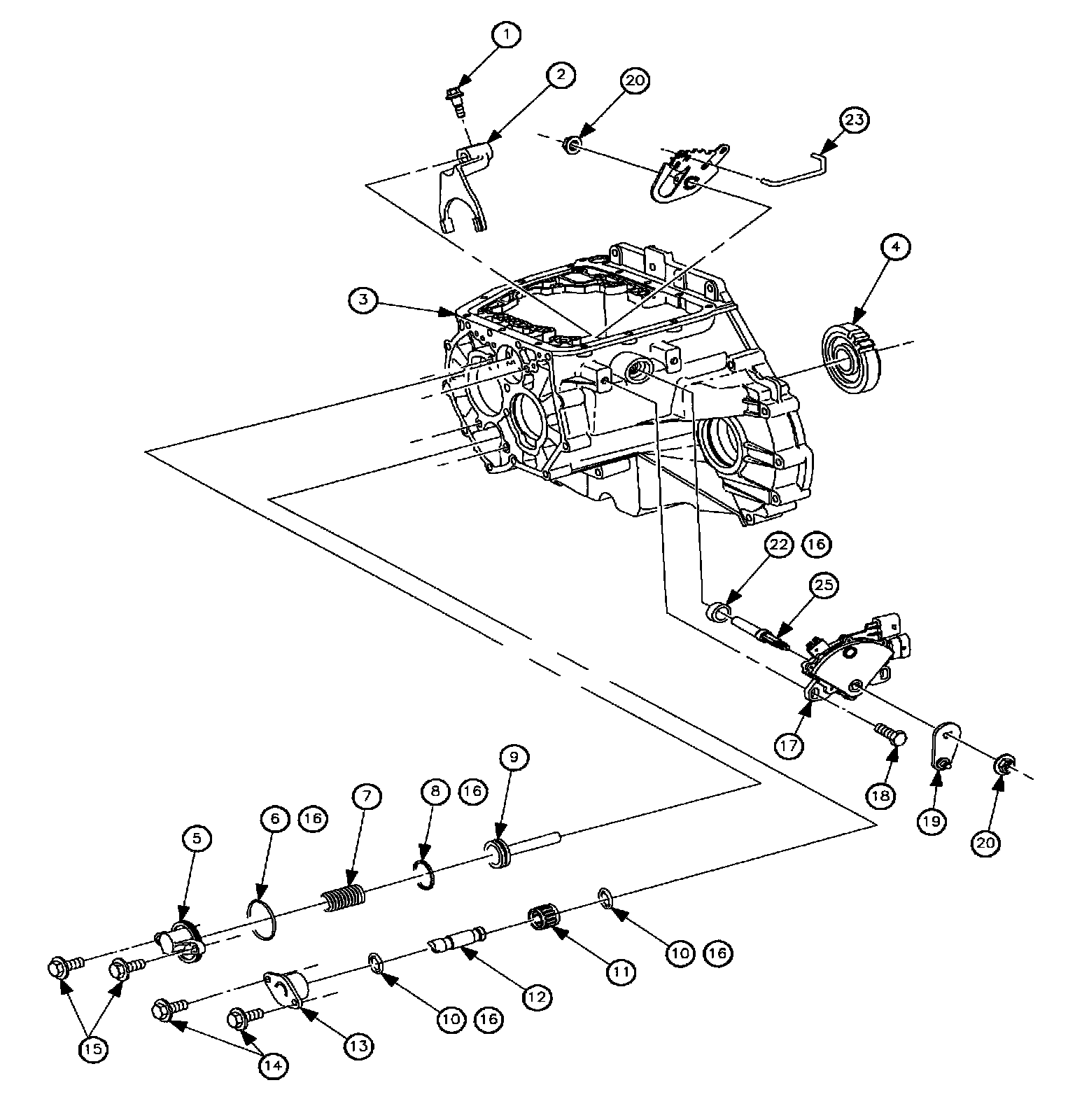
Range Selection Components
Range Selection Components
Part 1 Of 2:
Part 2 Of 2: