Curiosii for ever!
: Car repair manuals for everyone.
Home
>>
Saturn
>>
1997
>>
SC2 L4-1.9L DOHC VIN 7
>>
Repair and Diagnosis
>>
Diagrams
>>
Exploded Views
>>
Engine
>>
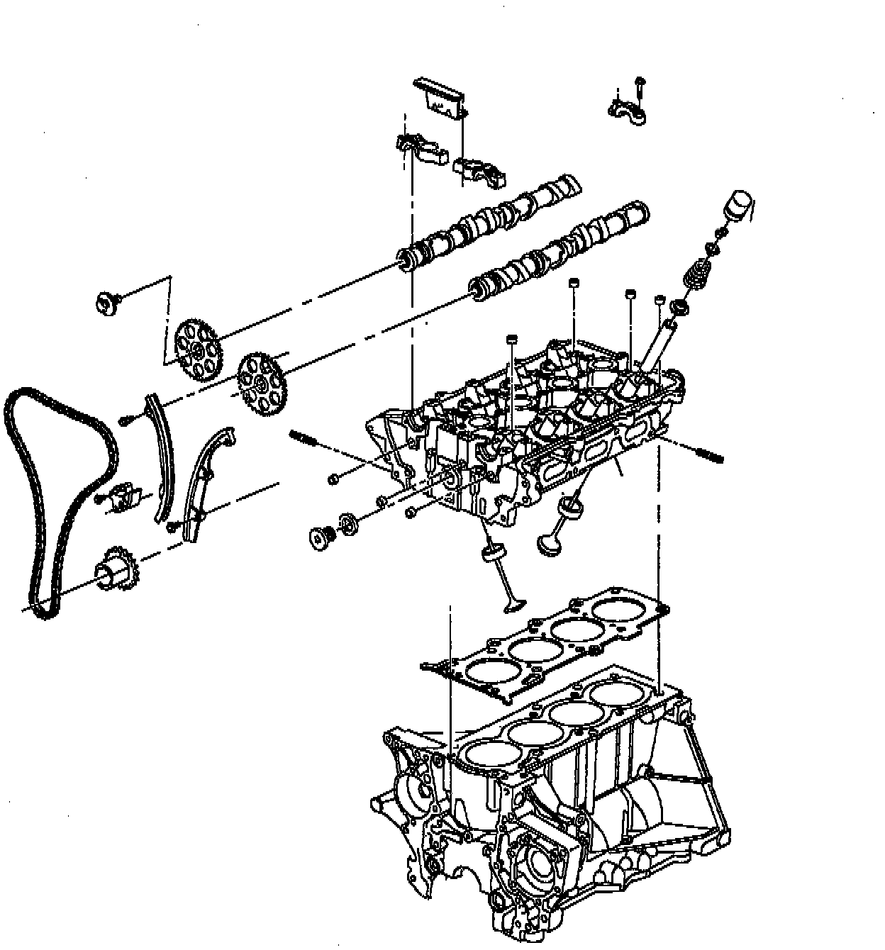
Cylinder Head Assembly
Cylinder Head Assembly