Curiosii for ever!: Car repair manuals for everyone.

Engine Controls - No Start/Intermittent Stalling

File in Section: 08 - Body and Accessories

Bulletin No.: 03-08-45-001

Issue Date: May, 2003

Subject:
Intermittent No Start, Intermittent Stall after Start-Up and/or Loss of Radio Presets (Replace Instrument Panel Junction Block - IPJB and/or Terminal)

Models Affected:
1995-1999 Saturn S-Series Vehicles

Attention: Technician

Condition:

Some customers may comment that one or more of the following conditions has occurred.

^ Intermittent no start

^ Intermittent stall after start-up

^ Loss of radio presets

Cause:

Condition(s) may be caused by terminal tightness at PIN F-5 within the Instrument Panel Junction Block (IPJB Black 68 way).

Correction:

Refer to the Instrument Panel Junction Block (IPJB) and/or Terminal Replacement procedures in this bulletin.

Procedure:

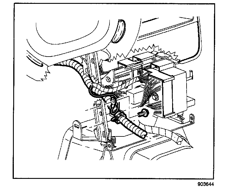
Instrument Panel Junction Block (IPJB) Removal:

1. Disconnect negative battery cable.

2. Disconnect positive battery cable.

3. Remove left and right lower trim panel extensions by pulling outward at dual lock locations. Rotate panels outward to disengage hinges from console.





4. Remove screw and ground wire from H-bracket.

5. Remove wiring harness from H-bracket.

6. Remove screw and disconnect rear electrical connector from IPJB. Remove IPJB screw.





7. Using a small screwdriver, release lock tabs on IPJB and slide off of mounting tabs.





8. Feed IPJB through H-bracket towards front of car.

9. Inspect PIN F-5, circuit 402 on the Black 68-way connector of the instrument panel junction block for signs of arcing. If signs of arcing are present, replace IPJB and terminal. Refer to the IPJB Installation and Terminal Replacement procedures in this bulletin.

10. If no signs of arcing, verify terminal tightness using GRAY probe. Replace terminal using the Terminal Replacement procedure in this bulletin.

IPJB Installation:

1. Feed IPJB back through H-bracket.

2. Slide the IPJB into mounting tabs and lock into place.

3. Install rear Black 68-way electrical connector into IPJB and then install screws in connector into IPJB.

4. Reconnect wiring harness to the H-bracket.

5. Reconnect ground wire to the H-bracket.

6. Reinstall left and right lower trim panel extensions.

7. Reconnect positive battery cable.

8. Reconnect negative battery cable.

Terminal Replacement:

1. If terminal replacement is required, remove CPA from Black 68-way connector. Insert tool 12094430/J04898 to remove terminal.

2. Put connector seal (if equipped) on wire.

3. Remove insulation from the end of the cut lead and the harness. Recommended strip length is 9.5 mm (3/8 in.) Caution must be used to prevent cutting the wire strands.

4. Position stripped ends in sleeve until wires hit the stop in the center of the splice.

5. Hand crimp using the approved crimping tool. Gently tug on wires to make sure they are secure before applying heat to them.

Important:
DO NOT USE MATCH OR OPEN FLAME TO APPLY HEAT TO SEAL.





6. Apply heat using the Heat Gun or some other device, heating to 175°C (347°F) until glue flows around edges of sleeve.

7. Insert the terminal into the connector. Check to make sure the terminal lock tab is engaged by gently tugging on the wire.

8. Replace any terminal position assurance (TPA) devices.





Parts Requirements:

Claim Information:

To receive credit for this repair during the warranty coverage period, submit a claim through the Saturn Dealer System for N1731 (Block Assembly, Wiring Harness Junction, Instrument Panel-Replace). If another procedure is performed, refer to the appropriate Electronic Labor Time Guide for the correct Operation Code and Time.





Disclaimer