Curiosii for ever!: Car repair manuals for everyone.

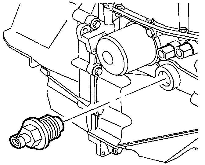
Transaxle Turbine Shaft Speed Sensor

Assembly:







REMOVAL

1. Position vehicle on lift and raise vehicle.
2. Disconnect electrical connector from turbine shaft speed sensor and remove sensor.

NOTE: Inspect O-ring for damage and replace if necessary.


INSTALLATION

1. Install turbine shaft speed sensor.
2. Install sensor.
- Torque: 26 N.m (19 ft-lbs)

NOTE: Clean and lubricate with Saturn Transaxle fluid. Wipe off excess fluid and install.

3. Connect electrical connector to sensor. Push in until a click is heard and pull back on connector to confirm positive engagement.
4. Lower vehicle.
5. Check transaxle fluid level.