Curiosii for ever!: Car repair manuals for everyone.

Compressor Replacement

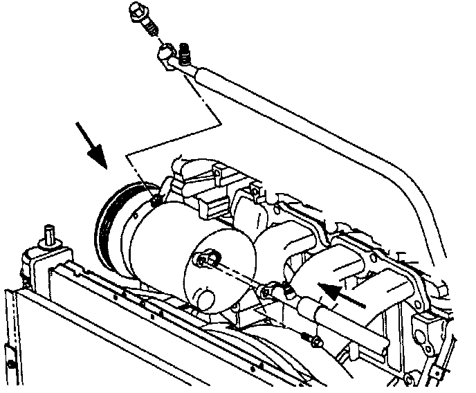
REMOVAL


NOTICE: When servicing the compressor, keep dirt and foreign material from getting on or into the compressor parts and system. Clean tools and clean work area are important for proper service. The compressor connections and the outside of the compressor should be cleaned before any on car repairs, or before removal of the compressor. The parts must be kept clean at all times and any parts to be assembled should be cleaned with a non-petroleum based solvent and dried with air. Use only lint free cloths to wipe parts. Do not allow solvent to enter compressor or hoses.

1. Disconnect negative battery cable.

2. Recover refrigerant using an approved refrigerant recovery system. Measure the amount of oil lost during recovery and record.

IMPORTANT: Add the recorded amount of new Saturn PAG compressor oil before charging the system.





3. Remove accessory drive belt from compressor clutch pulley by rotating belt tensioner clockwise.

4. Disconnect compressor clutch electrical connector.

CAUTION: DO NOT REMOVE HOSES BEFORE SYSTEM IS FULLY DISCHARGED.





5. Disconnect suction and discharge hoses at compressor.

6. Install plastic bags on the open end of the low and high side hoses.





7. Remove the rear compressor to bracket bolts.





8. Remove the front compressor to bracket bolts.

9. Remove compressor.

IMPORTANT: Keep compressor level during removal to avoid any oil loss from the low or high side ports.

INSTALLATION

IMPORTANT: Keep compressor level during installation to avoid any oil loss from the low or high side ports.





1. Install compressor to front bracket with three bolts. Finger tighten only.

2. Install compressor to rear bracket with three bolts. Tighten front and rear bolts to specifications.

Front Bolts:
Torque: 49 N.m (36 ft-lbs)


Rear Bolts:
Torque: 25 N.m (19 ft-lbs)


NOTICE: Use only R-12 Refrigerant oil (mineral) to lubricate O-rings. Use of R-134a (PAG) oil will cause premature corrosion of fitting joints.





3. Remove plugs or plastic bags from suction and discharge hoses. Lubricate O-rings with R-12 Refrigerant oil (mineral) and install.

4. Install hoses to the compressor low and high side ports. Tighten bolts to specifications.

Suction Hose:
Torque: 25 N.m (19 ft-lbs)

Discharge Hose:
Torque: 25 N.m (19 ft-lbs)





5. Connect compressor clutch electrical connector and CPA.

6. Install accessory drive belt.

7. Connect negative battery cable.

8. Set clock to proper time.

9. Evacuate, charge, and leak test A/C system.

10. Run A/C performance test.